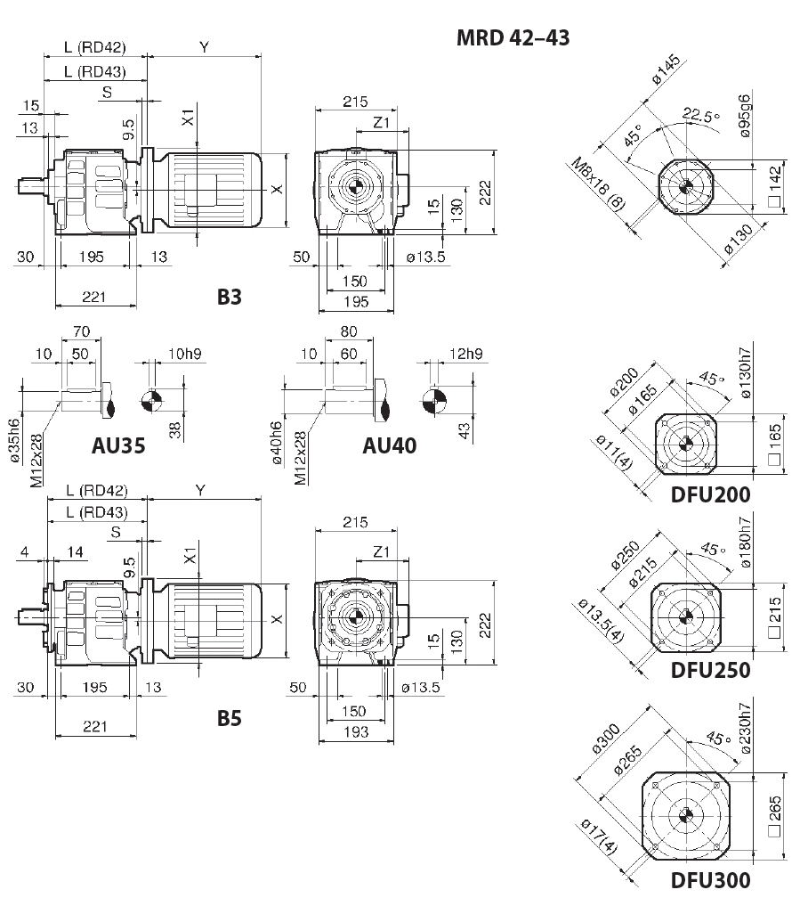
Габаритные и присоединительные размеры
| RD | 43 | 42 / 43 | 42 / 43 | 42 / 43 | 42 / 43 | 42 | 42 | 42 |
| IEC | 71 | 80 | 90 S | 90 L | 100 | 112 | 132 S | 132 M |
| X / Y / Z1 | См. раздел «Электродвигатели» | |||||||
| X1 (B5) / S | 160/11,5 | 200/11,5 | 200/11,5 | 200/11,5 | 250/14 | 250/14 | 300/15 | 300/15 |
| X1 (B14) / S | — | 120/10 | 140/10 | 140/10 | 160/11,5 | 160/11,5 | 200/11,5 | 200/11,5 |
| L (RD42) | — | 265 | 265[268-B14] | 265[268-B14] | 266[264-B14] | 266[264-B14] | 268 | 268 |
| L (RD43) | 305 | 305 | 305[308-B14] | 305[308-B14] | 306[304-B14] | — | — | — |



