| RD | 02 / 03 | 02 / 03 | 02 / 03 | 02 |
| IEC | 56 | 63 | 71 | 80 |
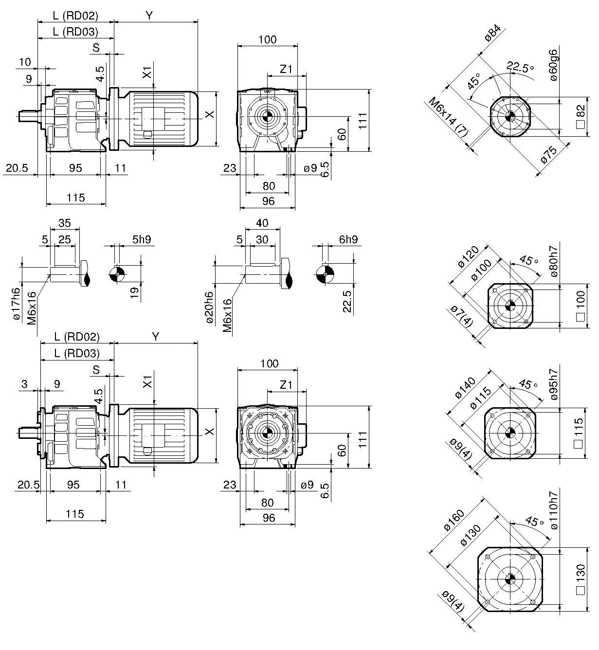
| X / Y / Z1 | См. раздел «Электродвигатели» | |||
| X1 (B5) / S | 120/11 | 140/10 | 160/11,5 | — |
| X1 (B14) / S | 80/8 | 90/10 | 105/10 | 120/11 |
| L (RD02) | 140 | 140 | 140 | 140 |
| L (RD03) | 143 | 143 | 143 | — |
24 000 ₽
| RD | 02 / 03 | 02 / 03 | 02 / 03 | 02 |
| IEC | 56 | 63 | 71 | 80 |
| X / Y / Z1 | См. раздел «Электродвигатели» | |||
| X1 (B5) / S | 120/11 | 140/10 | 160/11,5 | — |
| X1 (B14) / S | 80/8 | 90/10 | 105/10 | 120/11 |
| L (RD02) | 140 | 140 | 140 | 140 |
| L (RD03) | 143 | 143 | 143 | — |
| Вес | 10 кг |
|---|---|
| Габариты | 20 × 20 × 20 см |
| Таблица выбора редукторов RD0 (n1 = 1400 мин-1) | |||||||||||||||
| RD 0 | i ном | i факт | n2, мин-1 | M2lim, Нм | P1lim, кВт | Fr1 | Fr2 | J1 | Lub H | Lub V | кг | Рекомендуемый габарит двигателя | |||
| 56 | 63 | 71 | 80 | ||||||||||||
| RD02 2c | 2,25 | 2,314 | 605 | 27 | 1,8 | | 400 | 0,6467 | 0,2 | 0,3 | 3,0 | | | | |
| 2,50 | 2,568 | 545 | 30 | 1,82 | | 430 | 0,5251 | | | | | ||||
| 2,80 | 2,952 | 474 | 30 | 1,60 | | 410 | 0,4835 | | | | | ||||
| 3,15 | 3,277 | 427 | 33 | 1,57 | | 420 | 0,4443 | | | | | ||||
| 3,55 | 3,834 | 365 | 34 | 1,3 | | 420 | 0,4253 | | | | | ||||
| 4,0 | 4,256 | 329 | 36 | 1,32 | | 430 | 0,3884 | | | | | ||||
| 4,5 | 4,753 | 295 | 34 | 1,10 | | 470 | 0,3674 | | | | | ||||
| 5,0 | 5,276 | 265 | 38 | 1,13 | | 520 | 0,3587 | | | | | ||||
| 5,6 | 5,747 | 244 | 52 | 1,40 | | 580 | 0,3841 | | | | | ||||
| 6,3 | 6,253 | 234 | 48 | 1,22 | 36 | 640 | 0,4296 | | | | | ||||
| 7,1 | 7,333 | 191 | 53 | 1,10 | 50 | 680 | 0,4015 | | | | | ||||
| 8,0 | 7,979 | 175 | 49 | 0,97 | 110 | 720 | 0,3856 | | | | | ||||
| 9,0 | 9,524 | 147 | 54 | 0,89 | 140 | 770 | 0,3618 | | | | | ||||
| 10,0 | 10,362 | 135 | 50 | 0,78 | 172 | 820 | 0,3536 | | | | | ||||
| 12,5 | 12,844 | 109 | 50 | 0,62 | 211 | 920 | 0,3361 | | | | | ||||
| 16,0 | 16,320 | 86 | 51 | 0,49 | 244 | 1020 | 0,3218 | | | | |||||
| 20,0 | 21,533 | 65 | 51 | 0,38 | 273 | 1170 | 0,3106 | | | | |||||
| 25,0 | 26,747 | 52 | 52 | 0,31 | 292 | 1200 | 0,3045 | | | | |||||
| 31,5 | 30,222 | 46 | 52 | 0,27 | 299 | 1200 | 0,3019 | | | ||||||
| 35,5 | 34,675 | 40 | 35 | 0,16 | 638 | 1430 | 0,3089 | | | ||||||
| 40 | 43,070 | 33 | 35 | 0,13 | 646 | 1430 | 0,3033 | | | ||||||
| 50 | 48,667 | 29 | 35 | 0,11 | 651 | 1420 | 0,3010 | | | ||||||
| RD03 3c | 40 | 36,892 | 37 | 52 | 0,22 | 76 | 1200 | 0,3065 | 0,3 | 0,38 | 3,2 | | | | |
| 50 | 47,074 | 30 | 52 | 0,18 | 149 | 1200 | 0,6431 | | | | |||||
| 63 | 61,135 | 23 | 52 | 0,14 | 208 | 1200 | 0,6342 | | | | |||||
| 80 | 75,782 | 18 | 52 | 0,11 | 248 | 1200 | 0,6299 | | | ||||||
| 100 | 96,288 | 15 | 52 | 0,09 | 281 | 1200 | 0,6270 | | |||||||
| 125 | 127,047 | 11 | 52 | 0,07 | 312 | 1200 | 0,6252 | () | |||||||
| 160 | 157,805 | 8,9 | 52 | 0,05 | 332 | 1200 | 0,6244 | () | |||||||
| 180 | 178,311 | 7,9 | 52 | 0,05 | 341 | 1200 | 0,6241 | () | |||||||
| 200 | 204,583 | 6,9 | 36 | 0,03 | 367 | 1420 | 0,6251 | () | |||||||
| 250 | 254,113 | 5,5 | 36 | 0,02 | 376 | 1420 | 0,6244 | () | |||||||
| 280 | 287,133 | 4,9 | 36 | 0,02 | 380 | 1420 | 0,6241 | () | |||||||
| 315 | 324,444 | 4,3 | 36 | 0,02 | 380 | 1420 | 0,6462 | () | |||||||