- Описание
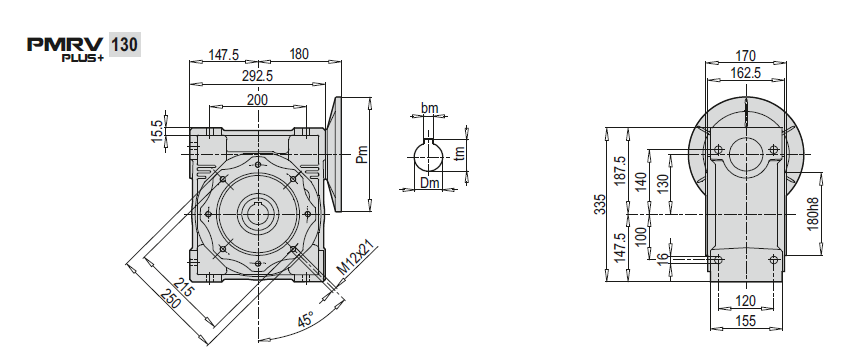
- Детали
- Технические характеристики
- Монтажные позиции
- Размеры выходного вала
- Реактивная штанга редуктора
| Вес | 35 кг |
|---|---|
| Габариты | 45 × 45 × 45 см |
Технические характеристики
| Мощность двигателя, кВт | Частота вращения выходного вала, об/мин | Крутящий момент, Нм | Сервис-фактор | Передаточное число | Двигатель IEC | Радиальная нагрузка, Н |
| 0,75 | 11.3 | 407 | 2.1 | 80 | 90S6 | 12989 |
| 0,75 | 9.0 | 470 | 1.7 | 100 | 90S6 | 13500 |
| 1,1 | 11.3 | 598 | 1.4 | 80 | 90 L6 | 12989 |
| 1,1 | 9.0 | 689 | 1.1 | 100 | 90 L6 | 13500 |
| 1,1 | 17.5 | 408 | 2.1 | 80 | 90S4 | 11210 |
| 1,1 | 14.0 | 480 | 1.5 | 100 | 90S4 | 12076 |
| 1,5 | 22.5 | 478 | 2.3 | 40 | 100L6 | 10309 |
| 1,5 | 18.0 | 573 | 1.8 | 50 | 100L6 | 11105 |
| 1,5 | 15.0 | 659 | 1.4 | 60 | 100L6 | 11801 |
| 1,5 | 11.3 | 815 | 1.1 | 80 | 100L6 | 12989 |
| 1,5 | 17.5 | 557 | 1.5 | 80 | 90L4 | 11210 |
| 1,5 | 14.0 | 655 | 1.1 | 100 | 90L4 | 12076 |
| 2,2 | 35.0 | 468 | 2.2 | 40 | 100LA4 | 8897 |
| 2,2 | 28.0 | 563 | 1.7 | 50 | 100LA4 | 9584 |
| 2,2 | 23.3 | 648 | 1.4 | 60 | 100LA4 | 10185 |
| 2,2 | 17.5 | 816 | 1.0 | 80 | 100LA4 | 11210 |
| 2,2 | 36.0 | 479 | 2.2 | 25 | 112M6 | 8814 |
| 2,2 | 30.0 | 546 | 2.1 | 30 | 112M6 | 9366 |
| 2,2 | 22.5 | 700 | 1.6 | 40 | 112M6 | 10309 |
| 2,2 | 18.0 | 840 | 1.2 | 50 | 112M6 | 11105 |
| 2,2 | 15.0 | 966 | 1.0 | 60 | 112M6 | 11801 |
| 2,2 | 35.0 | 438 | 1.3 | 80 | 90L2 | 8897 |
| 2,2 | 28.0 | 525 | 1.0 | 100 | 90L2 | 9584 |
| 3 | 56.0 | 430 | 2.2 | 25 | 100LB4 | 7607 |
| 3 | 46.7 | 491 | 2.1 | 30 | 100LB4 | 8084 |
| 3 | 35.0 | 638 | 1.6 | 40 | 100LB4 | 8897 |
| 3 | 28.0 | 767 | 1.3 | 50 | 100LB4 | 9584 |
| 3 | 23.3 | 884 | 1.0 | 60 | 100LB4 | 10185 |
| 3 | 17.5 | 1113 | 0.8 | 80 | 100LB4 | 11210 |
| 3 | 90.0 | 280 | 3.4 | 10 | 132S6 | 6494 |
| 3 | 60.0 | 406 | 2.6 | 15 | 132S6 | 7434 |
| 3 | 45.0 | 535 | 1.9 | 20 | 132S6 | 8182 |
| 3 | 36.0 | 653 | 1.6 | 25 | 132S6 | 8814 |
| 3 | 30.0 | 745 | 1.6 | 30 | 132S6 | 9366 |
| 3 | 22.5 | 955 | 1.2 | 40 | 132S6 | 10309 |
| 4 | 56.0 | 573 | 1.6 | 25 | 112M4 | 7607 |
| 4 | 46.7 | 655 | 1.6 | 30 | 112M4 | 8084 |
| 4 | 35.0 | 851 | 1.2 | 40 | 112M4 | 8897 |
| 4 | 28.0 | 1023 | 1.0 | 50 | 112M4 | 9584 |
| 4 | 23.3 | 1179 | 0.8 | 60 | 112M4 | 10185 |
| 4 | 120.0 | 287 | 3.1 | 7.5 | 132M6 | 5901 |
| 4 | 90.0 | 374 | 2.6 | 10 | 132M6 | 6494 |
| 4 | 60.0 | 541 | 2.0 | 15 | 132M6 | 7434 |
| 4 | 45.0 | 713 | 1.5 | 20 | 132M6 | 8182 |
| 4 | 36.0 | 870 | 1.2 | 25 | 132M6 | 8814 |
| 5,5 | 140.0 | 334 | 2.5 | 10 | 132S4 | 5605 |
| 5,5 | 93.3 | 490 | 1.9 | 15 | 132S4 | 6416 |
| 5,5 | 70.0 | 645 | 1.4 | 20 | 132S4 | 7062 |
| 5,5 | 56.0 | 788 | 1.2 | 25 | 132S4 | 7607 |
| 5,5 | 46.7 | 900 | 1.2 | 30 | 132S4 | 8084 |
| 5,5 | 35.0 | 1171 | 0.9 | 40 | 132S4 | 8897 |
| 7,5 | 186.7 | 349 | 2.1 | 7.5 | 132M4 | 5092 |
| 7,5 | 140.0 | 455 | 1.8 | 10 | 132M4 | 5605 |
| 7,5 | 93.3 | 668 | 1.4 | 15 | 132M4 | 6416 |
| 7,5 | 70.0 | 880 | 1.0 | 20 | 132M4 | 7062 |
| 7,5 | 56.0 | 1074 | 0.9 | 25 | 132M4 | 7607 |
| 7,5 | 46.7 | 1228 | 0.8 | 30 | 132M4 | 8084 |
| 7,5 | 35.0 | 1596 | 0.7 | 40 | 132M4 | 8897 |
Размеры выходного вала
| PMRV | d | B | B1 | G1 | L | L1 | f | b1 | t1 |
| 030 | 14h6 | 30 | 32.5 | 63 | 102 | 128 | M6 | 5 | 16 |
| 040 | 18h6 | 40 | 43 | 78 | 128 | 164 | M6 | 6 | 20.5 |
| 050 | 25h6 | 50 | 53.5 | 92 | 153 | 199 | M10 | 8 | 28 |
| 063 | 25h6 | 50 | 53.5 | 112 | 173 | 219 | M10 | 8 | 28 |
| 075 | 28h6 | 60 | 63.5 | 120 | 192 | 247 | M10 | 8 | 31 |
| 090 | 35h6 | 80 | 84.5 | 140 | 234 | 309 | M12 | 10 | 38 |
| 105 | 42h6 | 80 | 84.5 | 155 | 249 | 324 | M16 | 12 | 45 |
| 110 | 42h6 | 80 | 84.5 | 155 | 249 | 324 | M16 | 12 | 45 |
| 130 | 45h6 | 80 | 85 | 170 | 265 | 340 | M16 | 14 | 48.5 |
| 150 | 50h6 | 82 | 87 | 200 | 297 | 374 | M16 | 14 | 53.5 |







