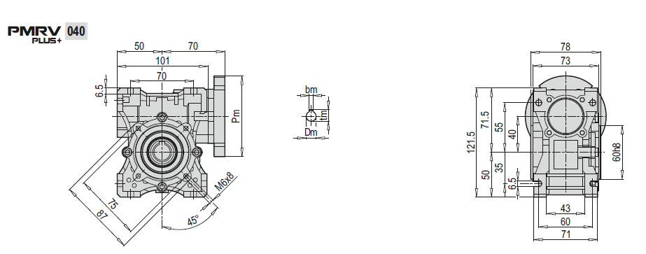
Габаритные и присоединительные размеры
| Выходной вал | ||
| D H8 | b | t |
| 18 (19) | 6 (6) | 20.8 (21.8) |
| Выходной вал | ||
| D H8 | b | t |
| 18 (19) | 6 (6) | 20.8 (21.8) |
| Вес | 3 кг |
|---|---|
| Габариты | 10 × 10 × 10 см |
| Мощность двигателя, кВт | Частота вращения выходного вала, об/мин | Крутящий момент, Нм | Сервис-фактор | Передаточное число | Двигатель IEC | Радиальная нагрузка, Н |
| 0,06 | 18.0 | 18 | 2.3 | 50 | 63А6 | 2868 |
| 0,06 | 15.0 | 21 | 1.9 | 60 | 63А6 | 3047 |
| 0,06 | 11.3 | 24 | 1.4 | 80 | 63А6 | 3354 |
| 0,06 | 9.0 | 27 | 1.2 | 100 | 63А6 | 3490 |
| 0,09 | 28.0 | 19 | 2.0 | 50 | 56B4 | 2475 |
| 0,09 | 23.3 | 21 | 1.7 | 60 | 56B4 | 2630 |
| 0,09 | 17.5 | 26 | 1.3 | 80 | 56B4 | 2895 |
| 0,09 | 14.0 | 29 | 1.0 | 100 | 56B4 | 3118 |
| 0,09 | 30.0 | 19 | 2.6 | 30 | 63B6 | 2419 |
| 0,09 | 22.5 | 24 | 1.9 | 40 | 63B6 | 2662 |
| 0,09 | 18.0 | 27 | 1.5 | 50 | 63B6 | 2868 |
| 0,09 | 15.0 | 31 | 1.3 | 60 | 63B6 | 3047 |
| 0,09 | 11.3 | 37 | 1.0 | 80 | 63B6 | 3354 |
| 0,09 | 9.0 | 41 | 0.8 | 100 | 63B6 | 3490 |
| 0,12 | 46.7 | 17 | 2.6 | 30 | 63A4 | 2087 |
| 0,12 | 35.0 | 21 | 1.9 | 40 | 63A4 | 2298 |
| 0,12 | 28.0 | 25 | 1.5 | 50 | 63A4 | 2475 |
| 0,12 | 23.3 | 28 | 1.3 | 60 | 63A4 | 2630 |
| 0,12 | 17.5 | 34 | 1.0 | 80 | 63A4 | 2895 |
| 0,12 | 14.0 | 38 | 0.8 | 100 | 63A4 | 3118 |
| 0,12 | 30.0 | 25 | 1.9 | 30 | 63C6 | 2419 |
| 0,12 | 22.5 | 32 | 1.4 | 40 | 63C6 | 2662 |
| 0,12 | 18.0 | 36 | 1.2 | 50 | 63C6 | 2868 |
| 0,12 | 15.0 | 41 | 0.9 | 60 | 63C6 | 3047 |
| 0,18 | 93.3 | 14 | 2.4 | 30 | 63A2 | 1657 |
| 0,18 | 70.0 | 18 | 1.8 | 40 | 63A2 | 1824 |
| 0,18 | 56.0 | 21 | 1.4 | 50 | 63A2 | 1964 |
| 0,18 | 70.0 | 19 | 2.0 | 20 | 63B4 | 1824 |
| 0,18 | 56.0 | 23 | 1.7 | 25 | 63B4 | 1964 |
| 0,18 | 46.7 | 26 | 1.7 | 30 | 63B4 | 2087 |
| 0,18 | 35.0 | 32 | 1.3 | 40 | 63B4 | 2298 |
| 0,18 | 28.0 | 38 | 1.0 | 50 | 63B4 | 2475 |
| 0,18 | 23.3 | 43 | 0.8 | 60 | 63B4 | 2630 |
| 0,18 | 45.0 | 29 | 1.5 | 20 | 71A6 | 2113 |
| 0,18 | 36.0 | 34 | 1.3 | 25 | 71A6 | 2276 |
| 0,18 | 30.0 | 38 | 1.3 | 30 | 71A6 | 2419 |
| 0,18 | 22.5 | 47 | 1.0 | 40 | 71A6 | 2662 |
| 0,25 | 280.0 | 8 | 4.5 | 5 | 71A4 | 1149 |
| 0,25 | 186.7 | 11 | 3.6 | 7.5 | 71A4 | 1315 |
| 0,25 | 140.0 | 14 | 2.8 | 10 | 71A4 | 1447 |
| 0,25 | 93.3 | 21 | 1.9 | 15 | 71A4 | 1657 |
| 0,25 | 70.0 | 27 | 1.5 | 20 | 71A4 | 1824 |
| 0,25 | 56.0 | 32 | 1.2 | 25 | 71A4 | 1964 |
| 0,25 | 46.7 | 36 | 1.3 | 30 | 71A4 | 2087 |
| 0,25 | 35.0 | 44 | 0.9 | 40 | 71A4 | 2298 |
| 0,25 | 180.0 | 12 | 3.5 | 5 | 71B6 | 1331 |
| 0,25 | 120.0 | 17 | 2.6 | 7.5 | 71B6 | 1524 |
| 0,25 | 90.0 | 22 | 2.0 | 10 | 71B6 | 1677 |
| 0,25 | 60.0 | 31 | 1.4 | 15 | 71B6 | 1920 |
| 0,25 | 45.0 | 40 | 1.1 | 20 | 71B6 | 2113 |
| 0,25 | 36.0 | 48 | 0.9 | 25 | 71B6 | 2276 |
| 0,25 | 30.0 | 53 | 0.9 | 30 | 71B6 | 2419 |
| 0,37 | 560.0 | 5.7 | 4.2 | 5 | 71A2 | 912 |
| 0,37 | 373.3 | 8.4 | 3.3 | 7.5 | 71A2 | 1044 |
| 0,37 | 280.0 | 11 | 2.6 | 10 | 71A2 | 1149 |
| 0,37 | 186.7 | 16 | 1.9 | 15 | 71A2 | 1315 |
| 0,37 | 140.0 | 21 | 1.4 | 20 | 71A2 | 1447 |
| 0,37 | 112.0 | 25 | 1.1 | 25 | 71A2 | 1559 |
| 0,37 | 280.0 | 11 | 3.0 | 5 | 71 B4 | 1149 |
| 0,37 | 186.7 | 16 | 2.4 | 7.5 | 71 B4 | 1315 |
| 0,37 | 140.0 | 21 | 1.9 | 10 | 71 B4 | 1447 |
| 0,37 | 93.3 | 31 | 1.3 | 15 | 71 B4 | 1657 |
| 0,37 | 70.0 | 39 | 1.0 | 20 | 71 B4 | 1824 |
| 0,37 | 56.0 | 47 | 0.8 | 25 | 71 B4 | 1964 |
| 0,37 | 46.7 | 53 | 0.8 | 30 | 71 B4 | 2087 |
| 0,55 | 560.0 | 8.4 | 2.8 | 5 | 71B2 | 912 |
| 0,55 | 373.3 | 13 | 2.2 | 7.5 | 71B2 | 1044 |
| 0,55 | 280.0 | 17 | 1.8 | 10 | 71B2 | 1149 |
| 0,55 | 186.7 | 24 | 1.3 | 15 | 71B2 | 1315 |
| 0,55 | 140.0 | 31 | 0.9 | 20 | 71B2 | 1447 |
| 0,55 | 112.0 | 37 | 0.8 | 25 | 71B2 | 1559 |
| 0,55 | 280.0 | 17 | 2.0 | 5 | 80A4 | 1149 |
| 0,55 | 186.7 | 24 | 1.6 | 7.5 | 80A4 | 1315 |
| 0,55 | 140.0 | 32 | 1.3 | 10 | 80A4 | 1447 |
| 0,55 | 93.3 | 46 | 0.9 | 15 | 80A4 | 1657 |
| 0,75 | 560.0 | 12 | 2.1 | 5 | 80A2 | 912 |
| 0,75 | 373.3 | 17 | 1.6 | 7.5 | 80A2 | 1044 |
| 0,75 | 280.0 | 23 | 1.3 | 10 | 80A2 | 1149 |
| 0,75 | 186.7 | 32 | 1.0 | 15 | 80A2 | 1315 |
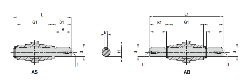
| PMRV | d | B | B1 | G1 | L | L1 | f | b1 | t1 |
| 030 | 14h6 | 30 | 32.5 | 63 | 102 | 128 | M6 | 5 | 16 |
| 040 | 18h6 | 40 | 43 | 78 | 128 | 164 | M6 | 6 | 20.5 |
| 050 | 25h6 | 50 | 53.5 | 92 | 153 | 199 | M10 | 8 | 28 |
| 063 | 25h6 | 50 | 53.5 | 112 | 173 | 219 | M10 | 8 | 28 |
| 075 | 28h6 | 60 | 63.5 | 120 | 192 | 247 | M10 | 8 | 31 |
| 090 | 35h6 | 80 | 84.5 | 140 | 234 | 309 | M12 | 10 | 38 |
| 105 | 42h6 | 80 | 84.5 | 155 | 249 | 324 | M16 | 12 | 45 |
| 110 | 42h6 | 80 | 84.5 | 155 | 249 | 324 | M16 | 12 | 45 |
| 130 | 45h6 | 80 | 85 | 170 | 265 | 340 | M16 | 14 | 48.5 |
| 150 | 50h6 | 82 | 87 | 200 | 297 | 374 | M16 | 14 | 53.5 |