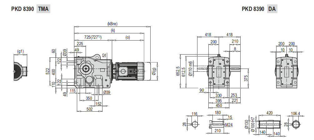
Габаритные и присоединительные размеры
PKD 8390 TMA, PKD 8390 DA
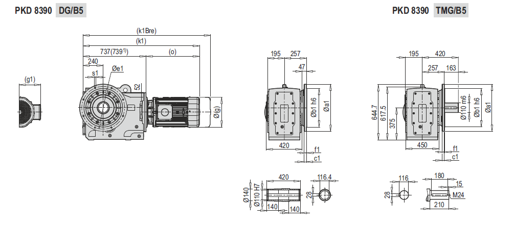
PKD 8390 DG/B5, PKD 8390 TMG/B5
| a1 | b1 | c1 | e1 | f1 | s1 |
| 550 | 450 | 28 | 500 | 5 | 8×18 |
| 132 S | 132 M | 160 M/L | 180 M/L | 200 L | 225 M | 250 M1) | 280 M 1) | 315 S/M/L | |
| g | 271 | 271 | 322 | 363 | 363 | 456 | 495 | 527 | — |
| g1 | 188 | 188 | 214 | 249 | 249 | 260 | 392 | 367 | — |
| k/k1 | 1170/1182 | 1170/1182 | 1255/1267 | 1349/1361 | 1358/1370 | 1427/1442 | 1351/1366 | 1653/1638 | — |
| kBre/k1Bre | 1270/1282 | 1290/1302 | 1360/1372 | 1468/1480 | 1476/1488 | 1599/1614 | 1481/1496 | — | — |
| o | 445 | 445 | 530 | 624 | 633 | 700 | 644 | 888 | — |
PKD 8390 DG/B14
| 132 S | 132 M | 160 M/L | 180 M/L | 200 L | 225 M | 250 M1) | 280 M 1) | 315 S/M/L | |
| g | 271 | 271 | 322 | 363 | 363 | 456 | 495 | 527 | — |
| g1 | 188 | 188 | 214 | 249 | 249 | 260 | 392 | 367 | — |
| k/k1 | 1170/1182 | 1170/1182 | 1255/1267 | 1349/1361 | 1358/1370 | 1427/1442 | 1351/1366 | 1653/1638 | — |
| kBre/k1Bre | 1270/1282 | 1290/1302 | 1360/1372 | 1468/1480 | 1476/1488 | 1599/1614 | 1481/1496 | — | — |
| o | 445 | 445 | 530 | 624 | 633 | 700 | 644 | 888 | — |




