Габаритные и присоединительные размеры
PKD 6390 TMA, PKD 6390 DA
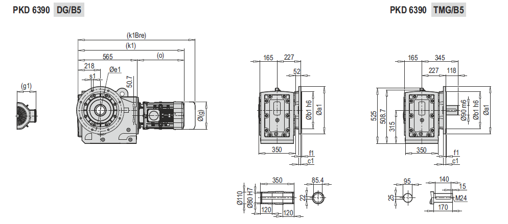
PKD 6390 DG/B5, PKD 6390 TMG/B5
| a1 | b1 | c1 | e1 | f1 | s1 |
| 450 | 350 | 22 | 400 | 5 | 8×18 |
| 550 | 450 | 28 | 500 | 5 | 8×18 |
| 100 L | 112 M | 132 S | 132 M | 160 M/L | 180 M/L | 200 L | 225 M | |
| g | 202 | 220 | 271 | 271 | 322 | 363 | 363 | 456 |
| g1 | 153 | 159 | 188 | 188 | 214 | 249 | 249 | 260 |
| k/k1 | 930/945 | 929/944 | 995/1010 | 995/1010 | 1080/1095 | 1174/1189 | 1183/1198 | 1252/1270 |
| kBre/k1Bre | 1014/1029 | 1029/1044 | 1095/1120 | 1115/1130 | 1185/1200 | 1293/1308 | 1301/1316 | 1424/1442 |
| o | 380 | 379 | 445 | 445 | 530 | 624 | 633 | 700 |
PKD 6390 DG/B14
| 100 L | 112 M | 132 S | 132 M | 160 M/L | 180 M/L | 200 L | 225 M | |
| g | 202 | 220 | 271 | 271 | 322 | 363 | 363 | 456 |
| g1 | 153 | 159 | 188 | 188 | 214 | 249 | 249 | 260 |
| k/k1 | 930/945 | 929/944 | 995/1010 | 995/1010 | 1080/1095 | 1174/1189 | 1183/1198 | 1252/1270 |
| kBre/k1Bre | 1014/1029 | 1029/1044 | 1095/1120 | 1115/1130 | 1185/1200 | 1293/1308 | 1301/1316 | 1424/1442 |
| o | 380 | 379 | 445 | 445 | 530 | 624 | 633 | 700 |




