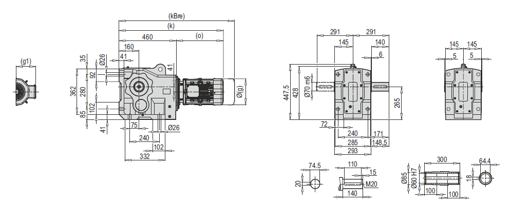
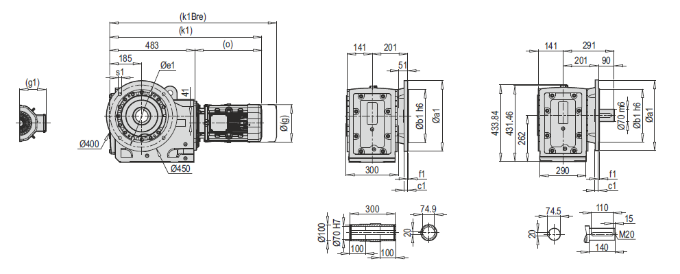
Габаритные и присоединительные размеры
PKD 5490 TMA, PKD 5490 DA
PKD 5490 DG/B5, PKD 5490 TMG/B5
| a1 | b1 | c1 | e1 | f1 | s1 |
| 400 | 300 | 20 | 350 | 5 | 4×18 |
| 450 | 350 | 22 | 400 | 5 | 8×18 |
| 90 S/L | 100 L | 112 M | 132 S | 132 M | 160 M/L | 180 M/L | |
| g | 182 | 202 | 220 | 271 | 271 | 322 | 363 |
| g1 | 130 | 153 | 159 | 188 | 188 | 214 | 249 |
| k/k1 | 794/813 | 841/864 | 840/863 | 902/925 | 902/925 | 990/1013 | 1084/1107 |
| kBre/k1Bre | 858/881 | 925/948 | 940/963 | 1001/1024 | 1021/1044 | 1095/1118 | 1185/1208 |
| o | 330 | 381 | 380 | 442 | 442 | 500 | 624 |
PKD 5490 DG/B14
| 90 S/L | 100 L | 112 M | 132 S | 132 M | 160 M/L | 180 M/L | |
| g | 182 | 202 | 220 | 271 | 271 | 322 | 363 |
| g1 | 130 | 153 | 159 | 188 | 188 | 214 | 249 |
| k/k1 | 794/813 | 841/864 | 840/863 | 902/925 | 902/925 | 990/1013 | 1084/1107 |
| kBre/k1Bre | 858/881 | 925/948 | 940/963 | 1001/1024 | 1021/1044 | 1095/1118 | 1185/1208 |
| o | 330 | 381 | 380 | 442 | 442 | 500 | 624 |




