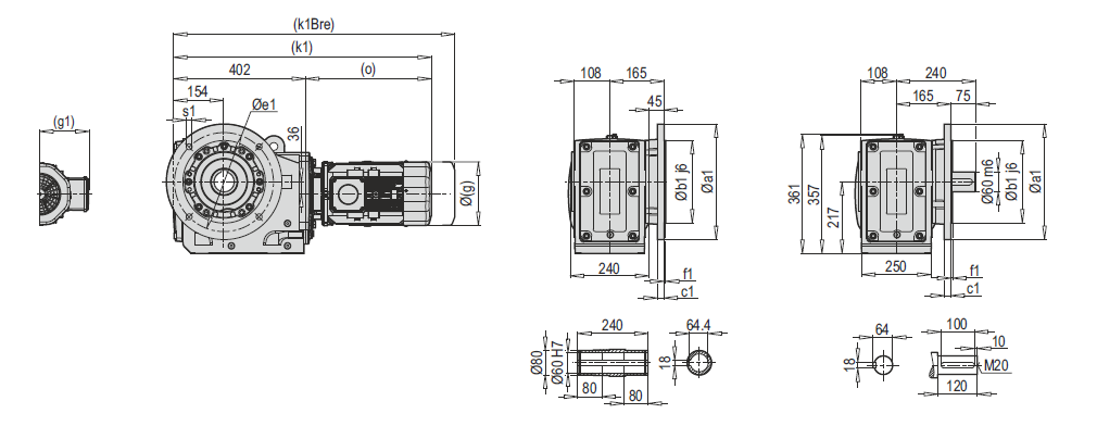
Габаритные и присоединительные размеры
PKD 4490 TMA, PKD 4490 DA
PKD 4490 DG/B5, PKD 4490 TMG/B5
| a1 | b1 | c1 | e1 | f1 | s1 |
| 350 | 250 | 20 | 300 | 5 | 4×18 |
| 90 S/L | 100 L | 112 M | 132 S | 132 M | 160 M/L | |
| g | 182 | 202 | 220 | 271 | 271 | 322 |
| g1 | 130 | 153 | 159 | 188 | 188 | 214 |
| k/k1 | 710/732 | 761/783 | 760/782 | 822/844 | 822/844 | 910/932 |
| kBre/k1Bre | 778/800 | 845/867 | 860/882 | 921/943 | 941/963 | 1015/1037 |
| o | 330 | 381 | 380 | 442 | 442 | 530 |
PKD 4490 DG/B14
| 90 S/L | 100 L | 112 M | 132 S | 132 M | 160 M/L | |
| g | 182 | 202 | 220 | 271 | 271 | 322 |
| g1 | 130 | 153 | 159 | 188 | 188 | 214 |
| k/k1 | 710/732 | 761/783 | 760/782 | 822/844 | 822/844 | 910/932 |
| kBre/k1Bre | 778/800 | 845/867 | 860/882 | 921/943 | 941/963 | 1015/1037 |
| o | 330 | 381 | 380 | 442 | 442 | 530 |




