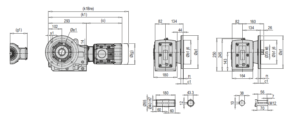
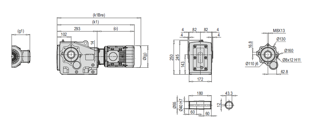
Габаритные и присоединительные размеры
PKD 2390 TMA, PKD 2390 DA
PKD 2390 DG/B5, PKD 2490 TMG/B5
| a1 | b1 | c1 | e1 | f1 | s1 |
| 250 | 180 | 16 | 215 | 4 | 4×14 |
| 63 М | 71 М | 80 М | 90 S/L | 100 л | 112 М | |
| г | 124 | 140 | 172 | 182 | 202 | 220 |
| г1 | 111 | 119 | 131 | 130 | 153 | 159 |
| k/k1 | 489/491 | 531/533 | 555/559 | 621/625 | 672/676 | 667/671 |
| kBre/k1Bre | 541/543 | 591/593 | 625/629 | 629/633 | 756/760 | 767/771 |
| о | 198 | 240 | 266 | 332 | 383 | 378 |
PKD 2490 DG/B14
| 63 М | 71 М | 80 М | 90 S/L | 100 л | 112 М | |
| г | 124 | 140 | 172 | 182 | 202 | 220 |
| г1 | 111 | 119 | 131 | 130 | 153 | 159 |
| k/k1 | 489/491 | 531/533 | 555/559 | 621/625 | 672/676 | 667/671 |
| kBre/k1Bre | 541/543 | 591/593 | 625/629 | 629/633 | 756/760 | 767/771 |
| о | 198 | 240 | 266 | 332 | 383 | 378 |




