Габаритные и присоединительные размеры
PD A02, PD A02 B5
| a1 | b1 | c1 | e1 | f1 | s1 |
| 140 | 95 | 10 | 115 | 3 | 4×9 |
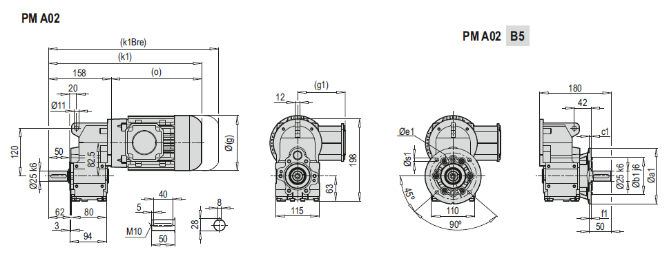
PM A02, PM A02 B5
| 63 M | 71 M | 80 M | 90 S/L | |
| g | 124 | 140 | 172 | 182 |
| g1 | 111 | 119 | 131 | 130 |
| k/k1 | 301/351 | 332/382 | 361/411 | 426/476 |
| kBre/k1Bre | 353/403 | 392/442 | 431/481 | 494/544 |
| o | 193 | 224 | 253 | 318 |




