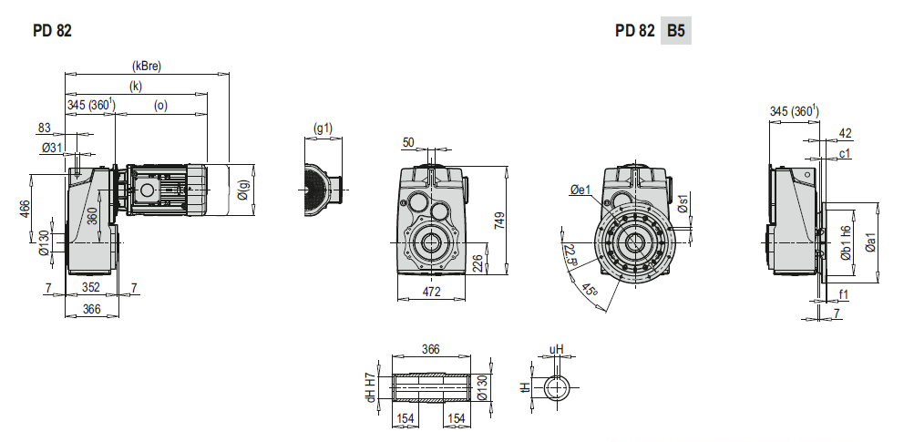
Габаритные и присоединительные размеры
PD 82, PD 82 B5
| dH | Ø 100 | (Ø 95) | (Ø 90) | (Ø 85) | (Ø 80) |
| uH | 28 | (25) | (25) | (22) | (22) |
| tH | 106.4 | (100.4) | (95.4) | (90.4) | (85.4) |
| a1 | b1 | c1 | e1 | f1 | s1 |
| 550 | 450 | 28 | 500 | 5 | 8×18 |
PM 82, PM 82 B5
| 132 S | 132 M | 160 M/L | 180 M/L | 200 L | 225 S/M | 250 M1) | 280 S1) | |
| g | 271 | 271 | 322 | 363 | 363 | 456 | 495 | 527 |
| g1 | 188 | 188 | 214 | 249 | 249 | 260 | 392 | 367 |
| k/k1 | 790/1000 | 790/1000 | 875/1085 | 969/1179 | 978/1188 | 1045/1255 | 1004/1214 | 1259/1469 |
| kBre/k1Bre | 890/1100 | 910/1120 | 980/1190 | 1088/1298 | 1096/1306 | 1217/1427 | 1134/1344 | — |
| o | 445 | 445 | 530 | 624 | 633 | 700 | 644 | 914 |




