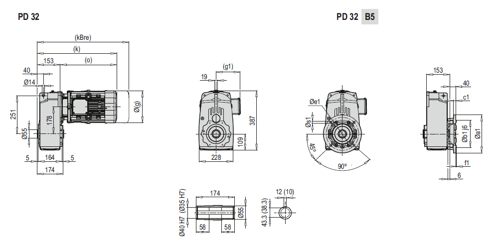
Габаритные и присоединительные размеры
PD 32, PD 32 B5
| a1 | b1 | c1 | e1 | f1 | s1 |
| 250 | 180 | 15 | 215 | 4 | 4×14 |
| 300 | 230 | 20 | 265 | 4 | 4×14 |
PM 32, PM 32 B5
| 71 M | 80 M | 90 S/L | 100 L | 112 M | 132 S | 132 M | |
| g | 140 | 172 | 182 | 202 | 220 | 271 | 271 |
| g1 | 119 | 131 | 130 | 153 | 159 | 188 | 188 |
| k/k1 | 389/479 | 413/503 | 479/567 | 530/620 | 525/615 | 600/690 | 600/690 |
| kBre/k1Bre | 449/539 | 483/573 | 547/637 | 614/704 | 625/715 | 699/789 | 727/817 |
| o | 236 | 260 | 323 | 377 | 372 | 447 | 447 |




