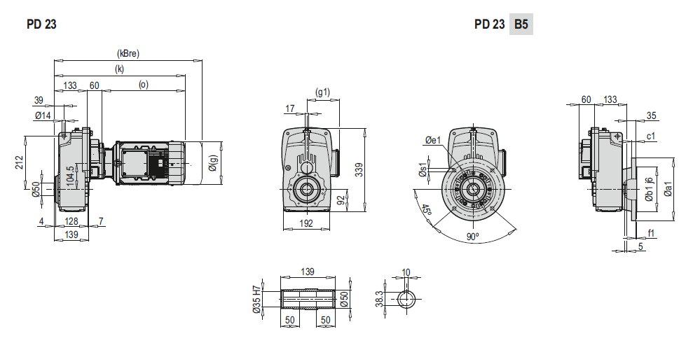
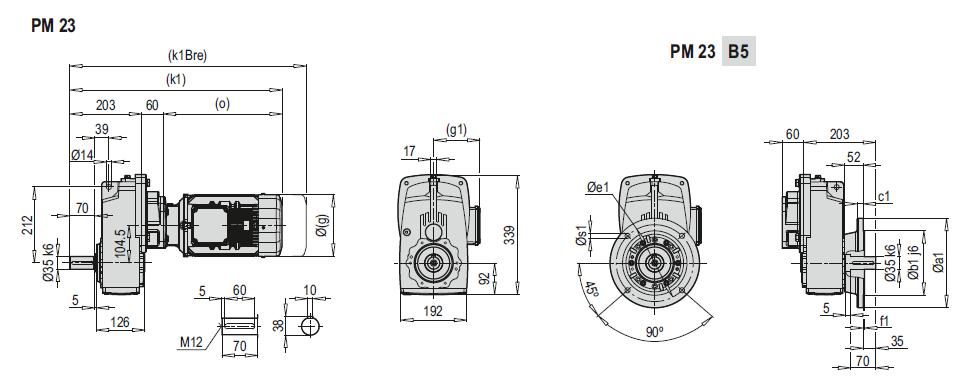
Габаритные и присоединительные размеры
PD 23, PD 23 B5
| a1 | b1 | c1 | e1 | f1 | s1 |
| 250 | 180 | 16 | 215 | 4 | 4×14 |
PM 23, PM 23 B5
| 63 M | 71 M | 80 M | 90 S/L | |
| g | 124 | 140 | 172 | 182 |
| g1 | 111 | 119 | 131 | 130 |
| k/k1 | 391/461 | 433/503 | 459/529 | 525/595 |
| kBre/k1Bre | 443/513 | 493/563 | 529/599 | 533/603 |
| o | 198 | 240 | 266 | 332 |




