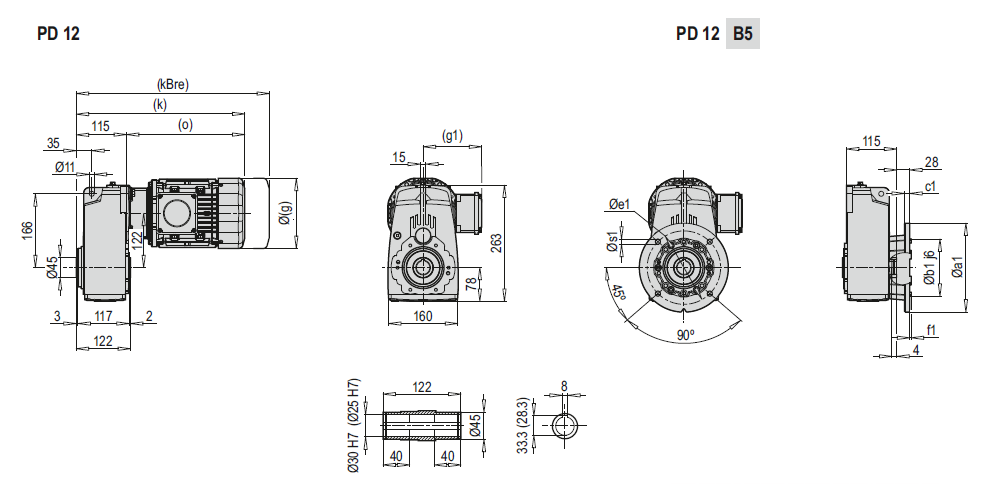
Габаритные и присоединительные размеры
PD 12, PD 12 B5
| a1 | b1 | c1 | e1 | f1 | s1 |
| 200 | 130 | 12 | 165 | 3.5 | 4×11 |
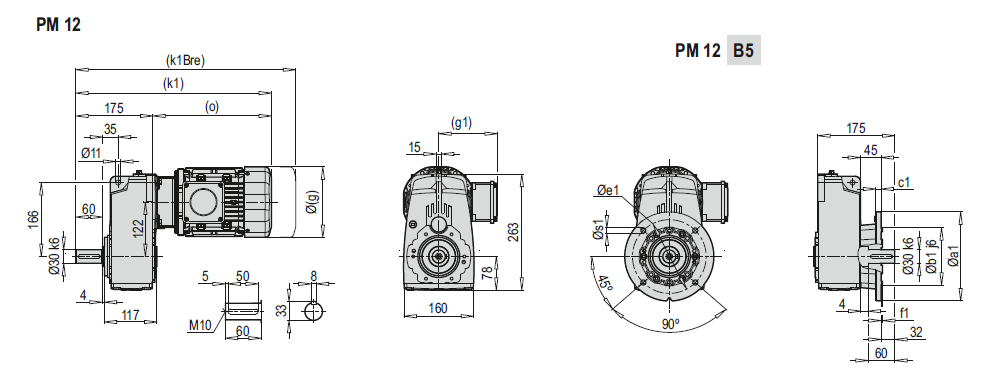
PM 12, PM 12 B5
| 63 M | 71 M | 80 M | 90 S/L | 100 L | 112 M | |
| g | 124 | 140 | 172 | 182 | 202 | 220 |
| g1 | 111 | 119 | 131 | 130 | 153 | 159 |
| k/k1 | 313/373 | 355/415 | 381/441 | 447/507 | 498/558 | 493/553 |
| kBre/k1Bre | 365/425 | 415/475 | 451/511 | 455/515 | 582/642 | 593/653 |
| o | 198 | 240 | 266 | 332 | 383 | 378 |




