Габаритные и присоединительные размеры
PA 52
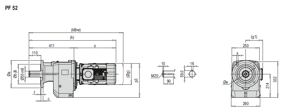
PF 52
| a | b | c | e | f | s |
| 250 | 180 | 20 | 215 | 4.0 | 14 |
| 300 | 230 | 20 | 265 | 4.0 | 14 |
| 90 S/L | 100 L | 112 M | 132 S/M | 160 M/L | 180 M/L | |
| g | 182 | 202 | 220 | 271 | 322 | 363 |
| g1 | 130 | 153 | 159 | 188 | 214 | 249 |
| k | 741 | 792 | 791 | 853 | 941 | 1035 |
| kBre | 809 | 876 | 891 | 952/972 | 1046 | 1035 |
| o | 330 | 381 | 380 | 442 | 530 | 624 |
| p | 309 | 319 | 328 | 353 | 379 | 400 |
| p3 | 304 | 314 | 323 | 348 | 374 | 395 |



