Габаритные и присоединительные размеры
iP 77…PE
| 63 | 71 | 80 | 90S 2) | 90L | 100 | 112 | 132S 3) | 132M | |
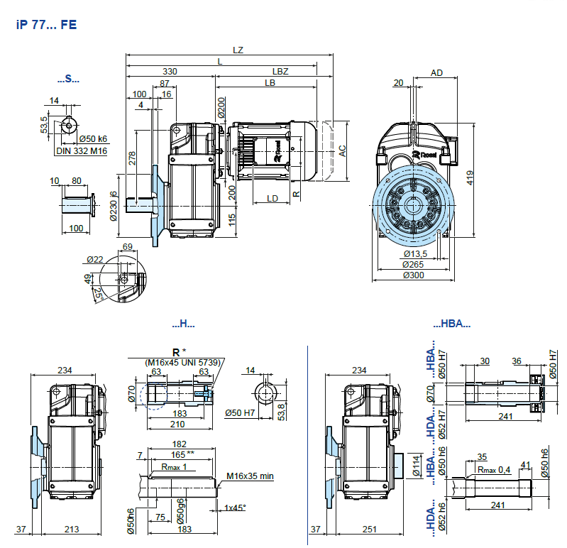
| AC | 123 | 138 | 156 | 176 | 176 | 194 | 218 | 257 | 257 |
| AD | 95 | 112 | 121 | 141 | 141 | 151 | 163 | 194 | 194 |
| LB | 199 | 225 | 254 | 276 | 306 | 339 | 377 | 433 | 493 |
| LBZ | 254 | 287 | 323 | 355 | 385 | 434 | 476 | 541 | 601 |
| L 1) | 493 | 519 | 548 | 570 | 600 | 633 | 671 | 727 | 787 |
| LZ 1) | 548 | 581 | 617 | 649 | 679 | 728 | 770 | 835 | 895 |
| LD | 103 | 103 | 103 | 136 | 136 | 136 | 136 | 190 | 190 |
| R | 86 | 86 | 86 | 106 | 106 | 106 | 106 | 148 | 148 |
iP 77…FE
| 63 | 71 | 80 | 90S 2) | 90L | 100 | 112 | 132S 3) | 132M | |
| AC | 123 | 138 | 156 | 176 | 176 | 194 | 218 | 257 | 257 |
| AD | 95 | 112 | 121 | 141 | 141 | 151 | 163 | 194 | 194 |
| LB | 199 | 225 | 254 | 276 | 306 | 339 | 377 | 433 | 493 |
| LBZ | 254 | 287 | 323 | 355 | 385 | 434 | 476 | 541 | 601 |
| L 1) | 493 | 519 | 548 | 570 | 600 | 633 | 671 | 727 | 787 |
| LZ 1) | 548 | 581 | 617 | 649 | 679 | 728 | 770 | 835 | 895 |
| LD | 103 | 103 | 103 | 136 | 136 | 136 | 136 | 190 | 190 |
| R | 86 | 86 | 86 | 106 | 106 | 106 | 106 | 148 | 148 |




