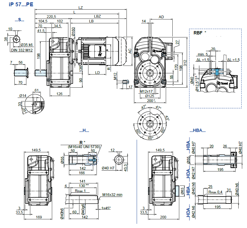
Габаритные и присоединительные размеры
iP 57…PE
| 63 | 71 | 80 | 90S 2) | 90L | 100 | 112 | |
| AC | 123 | 138 | 156 | 176 | 176 | 194 | 218 |
| AD | 95 | 112 | 121 | 141 | 141 | 151 | 163 |
| LB | 211 | 237 | 260 | 290 | 320 | 351 | 389 |
| LBZ | 266 | 299 | 335 | 369 | 399 | 446 | 488 |
| L 1) | 431,5 | 457,5 | 480,5 | 510,5 | 540,5 | 571,5 | 609,5 |
| LZ 1) | 486,5 | 519,5 | 555,5 | 589,5 | 619,5 | 666,5 | 708,5 |
| LD | 103 | 103 | 103 | 136 | 136 | 136 | 136 |
| R | 86 | 86 | 86 | 106 | 106 | 106 | 106 |
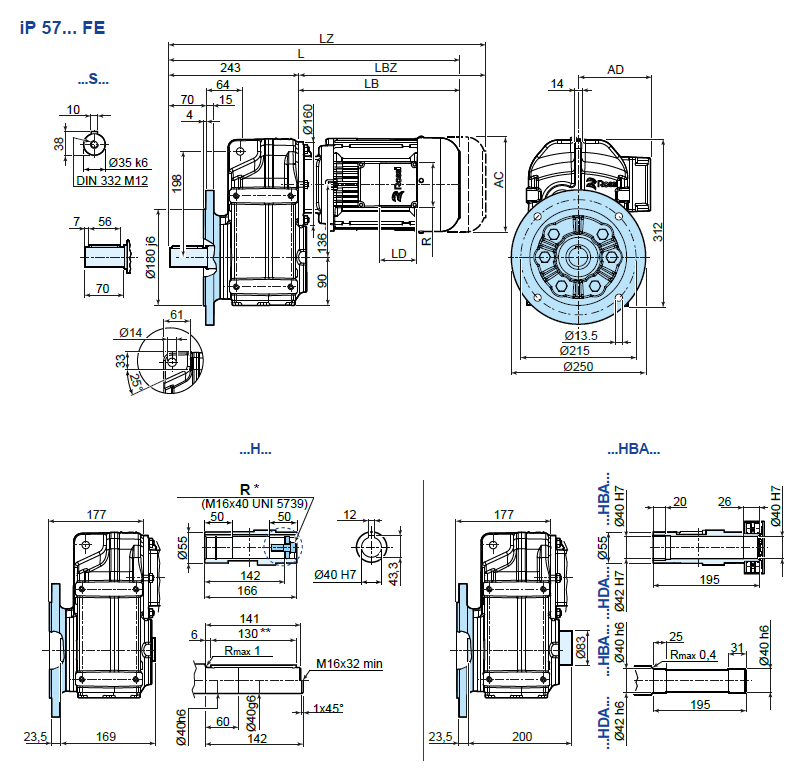
iP 57…FE
| 63 | 71 | 80 | 90S 2) | 90L | 100 | 112 | |
| AC | 123 | 138 | 156 | 176 | 176 | 194 | 218 |
| AD | 95 | 112 | 121 | 141 | 141 | 151 | 163 |
| LB | 211 | 237 | 260 | 290 | 320 | 351 | 389 |
| LBZ | 266 | 299 | 335 | 369 | 399 | 446 | 488 |
| L 1) | 431,5 | 457,5 | 480,5 | 510,5 | 540,5 | 571,5 | 609,5 |
| LZ 1) | 486,5 | 519,5 | 555,5 | 589,5 | 619,5 | 666,5 | 708,5 |
| LD | 103 | 103 | 103 | 136 | 136 | 136 | 136 |
| R | 86 | 86 | 86 | 106 | 106 | 106 | 106 |




