Габаритные и присоединительные размеры
iP 47…PE
| 63 | 71 | 80 | 90S 2) | 90L | 100 | |
| AC | 123 | 138 | 156 | 176 | 176 | 194 |
| AD | 95 | 112 | 121 | 141 | 141 | 151 |
| LB | 211 | 237 | 260 | 290 | 320 | 351 |
| LBZ | 266 | 299 | 335 | 369 | 399 | 446 |
| L 1) | 404 | 430 | 453 | 483 | 513 | 544 |
| LZ 1) | 459 | 492 | 528 | 562 | 592 | 639 |
| LD | 103 | 103 | 103 | 136 | 136 | 136 |
| R | 86 | 86 | 86 | 106 | 106 | 106 |
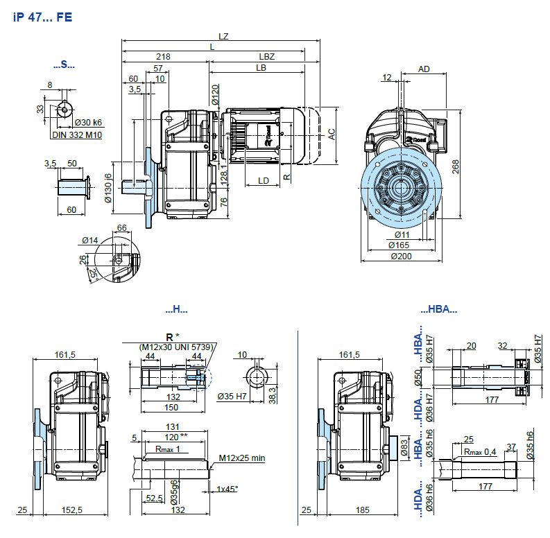
iP 47…FE
| 63 | 71 | 80 | 90S 2) | 90L | 100 | |
| AC | 123 | 138 | 156 | 176 | 176 | 194 |
| AD | 95 | 112 | 121 | 141 | 141 | 151 |
| LB | 211 | 237 | 260 | 290 | 320 | 351 |
| LBZ | 266 | 299 | 335 | 369 | 399 | 446 |
| L 1) | 404 | 430 | 453 | 483 | 513 | 544 |
| LZ 1) | 459 | 492 | 528 | 562 | 592 | 639 |
| LD | 103 | 103 | 103 | 136 | 136 | 136 |
| R | 86 | 86 | 86 | 106 | 106 | 106 |




