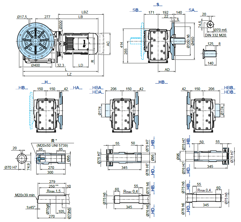
Габаритные и присоединительные размеры
iO 973 PE
| 80 | 90S 2) | 90L | 100 | 112 | 132S 3) | 132M | |
| AC | 156 | 176 | 176 | 194 | 218 | 257 | 257 |
| AD | 121 | 141 | 141 | 151 | 163 | 194 | 194 |
| LB | 254 | 276 | 306 | 339 | 377 | 433 | 493 |
| LBZ | 323 | 355 | 385 | 434 | 476 | 541 | 601 |
| L 1) | 691 | 713 | 743 | 776 | 814 | 870 | 930 |
| LZ 1) | 760 | 792 | 822 | 871 | 913 | 978 | 1038 |
| LD | 103 | 136 | 136 | 136 | 136 | 190 | 190 |
| R | 86 | 106 | 106 | 106 | 106 | 148 | 148 |
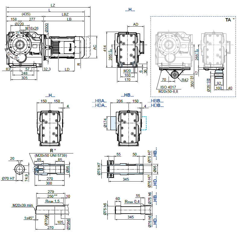
iO 973 FE…F945
| 80 | 90S 2) | 90L | 100 | 112 | 132S 3) | 132M | |
| AC | 156 | 176 | 176 | 194 | 218 | 257 | 257 |
| AD | 121 | 141 | 141 | 151 | 163 | 194 | 194 |
| LB | 254 | 276 | 306 | 339 | 377 | 433 | 493 |
| LBZ | 323 | 355 | 385 | 434 | 476 | 541 | 601 |
| L 1) | 691 | 713 | 743 | 776 | 814 | 870 | 930 |
| LZ 1) | 760 | 792 | 822 | 871 | 913 | 978 | 1038 |
| LD | 103 | 136 | 136 | 136 | 136 | 190 | 190 |
| R | 86 | 106 | 106 | 106 | 106 | 148 | 148 |
iO 973 SE
| 80 | 90S 2) | 90L | 100 | 112 | 132S 3) | 132M | |
| AC | 156 | 176 | 176 | 194 | 218 | 257 | 257 |
| AD | 121 | 141 | 141 | 151 | 163 | 194 | 194 |
| LB | 254 | 276 | 306 | 339 | 377 | 433 | 493 |
| LBZ | 323 | 355 | 385 | 434 | 476 | 541 | 601 |
| L 1) | 691 | 713 | 743 | 776 | 814 | 870 | 930 |
| LZ 1) | 760 | 792 | 822 | 871 | 913 | 978 | 1038 |
| LD | 103 | 136 | 136 | 136 | 136 | 190 | 190 |
| R | 86 | 106 | 106 | 106 | 106 | 148 | 148 |






