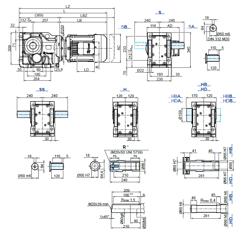
Габаритные и присоединительные размеры
iO 873 PE
| 80 | 90S 2) | 90L | 100 | 112 | 132S 3) | 132M | |
| AC | 156 | 176 | 176 | 194 | 218 | 257 | 257 |
| AD | 121 | 141 | 141 | 151 | 163 | 194 | 194 |
| LB | 254 | 276 | 306 | 339 | 377 | 433 | 493 |
| LBZ | 323 | 355 | 385 | 434 | 476 | 541 | 601 |
| L 1) | 643 | 665 | 695 | 728 | 766 | 822 | 882 |
| LZ 1) | 712 | 744 | 774 | 823 | 865 | 930 | 990 |
| LD | 103 | 136 | 136 | 136 | 136 | 190 | 190 |
| R | 86 | 106 | 106 | 106 | 106 | 148 | 148 |
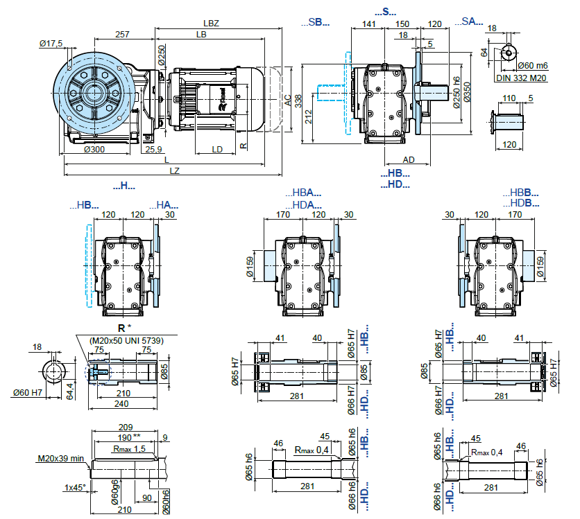
iO 873 FE…F835
| 80 | 90S 2) | 90L | 100 | 112 | 132S 3) | 132M | |
| AC | 156 | 176 | 176 | 194 | 218 | 257 | 257 |
| AD | 121 | 141 | 141 | 151 | 163 | 194 | 194 |
| LB | 254 | 276 | 306 | 339 | 377 | 433 | 493 |
| LBZ | 323 | 355 | 385 | 434 | 476 | 541 | 601 |
| L 1) | 643 | 665 | 695 | 728 | 766 | 822 | 882 |
| LZ 1) | 712 | 744 | 774 | 823 | 865 | 930 | 990 |
| LD | 103 | 136 | 136 | 136 | 136 | 190 | 190 |
| R | 86 | 106 | 106 | 106 | 106 | 148 | 148 |
iO 873 SE
| 80 | 90S 2) | 90L | 100 | 112 | 132S 3) | 132M | |
| AC | 156 | 176 | 176 | 194 | 218 | 257 | 257 |
| AD | 121 | 141 | 141 | 151 | 163 | 194 | 194 |
| LB | 254 | 276 | 306 | 339 | 377 | 433 | 493 |
| LBZ | 323 | 355 | 385 | 434 | 476 | 541 | 601 |
| L 1) | 643 | 665 | 695 | 728 | 766 | 822 | 882 |
| LZ 1) | 712 | 744 | 774 | 823 | 865 | 930 | 990 |
| LD | 103 | 136 | 136 | 136 | 136 | 190 | 190 |
| R | 86 | 106 | 106 | 106 | 106 | 148 | 148 |






