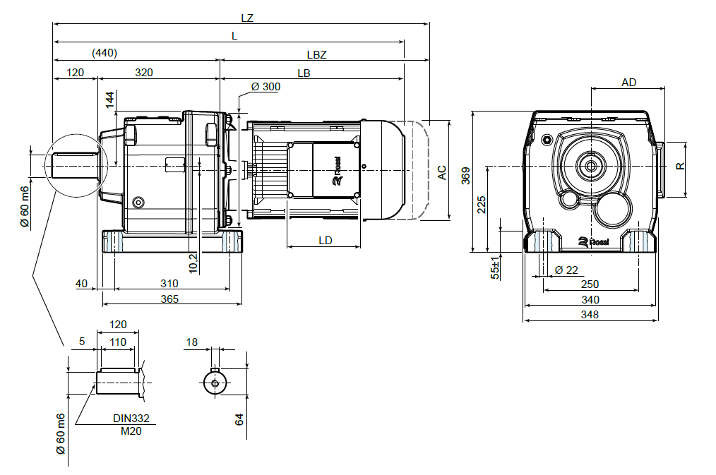
Габаритные и присоединительные размеры
iC 972PE, iC 973PE
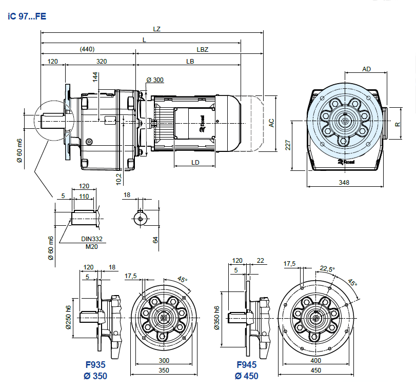
iC 972FE, iC 973FE
| 80 | 90S 2) | 90L | 100 | 112 | 132S 3) | 132M | ||
| AC | 156 | 176 | 176 | 194 | 218 | 257 | 257 | |
| AD | 121 | 141 | 141 | 151 | 163 | 194 | 194 | |
| LB | 241 | 264 | 294 | 327 | 364 | 423 | 483 | |
| LBZ | 310 | 343 | 373 | 422 | 463 | 531 | 591 | |
| L 1) | 681 | 704 | 734 | 767 | 804 | 863 | 923 | |
| LZ 1) | 750 | 783 | 813 | 862 | 903 | 971 | 1031 | |
| LD | 103 | 136 | 136 | 136 | 136 | 190 | 190 | |
| R | 86 | 106 | 106 | 106 | 106 | 148 | 148 | |




