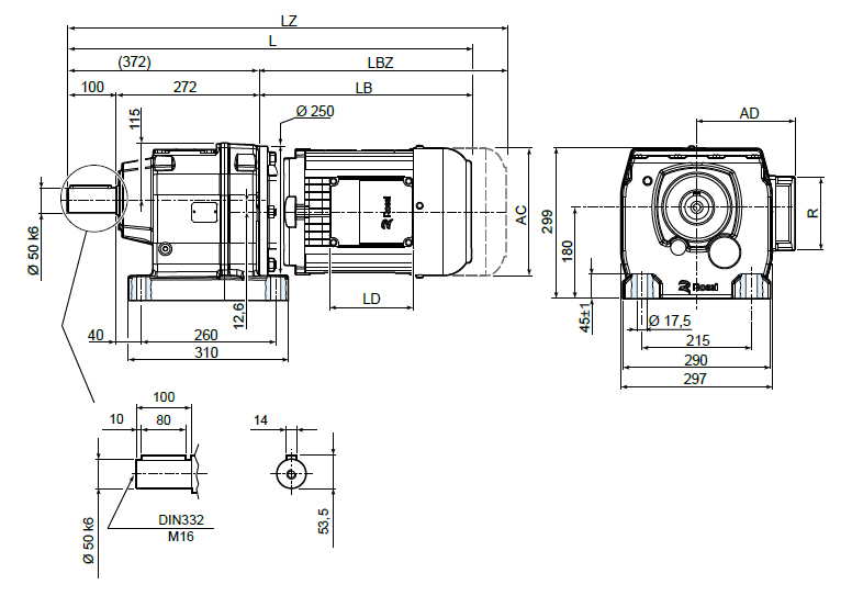
Габаритные и присоединительные размеры
iC 872PE, iC 873PE
| 80 | 90S 2) | 90L | 100 | 112 | 132S 3) | 132M | |
| AC | 156 | 176 | 176 | 194 | 218 | 257 | 257 |
| AD | 121 | 141 | 141 | 151 | 163 | 194 | 194 |
| LB | 249 | 272 | 302 | 334 | 372 | 428 | 488 |
| LBZ | 318 | 351 | 381 | 429 | 471 | 536 | 596 |
| L 1) | 621 | 644 | 674 | 706 | 744 | 800 | 860 |
| LZ 1) | 690 | 723 | 753 | 801 | 843 | 908 | 968 |
| LD | 103 | 136 | 136 | 136 | 136 | 190 | 190 |
| R | 86 | 106 | 106 | 106 | 106 | 148 | 148 |
iC 872FE, iC 873FE
| 80 | 90S 2) | 90L | 100 | 112 | 132S 3) | 132M | |
| AC | 156 | 176 | 176 | 194 | 218 | 257 | 257 |
| AD | 121 | 141 | 141 | 151 | 163 | 194 | 194 |
| LB | 249 | 272 | 302 | 334 | 372 | 428 | 488 |
| LBZ | 318 | 351 | 381 | 429 | 471 | 536 | 596 |
| L 1) | 621 | 644 | 674 | 706 | 744 | 800 | 860 |
| LZ 1) | 690 | 723 | 753 | 801 | 843 | 908 | 968 |
| LD | 103 | 136 | 136 | 136 | 136 | 190 | 190 |
| R | 86 | 106 | 106 | 106 | 106 | 148 | 148 |




