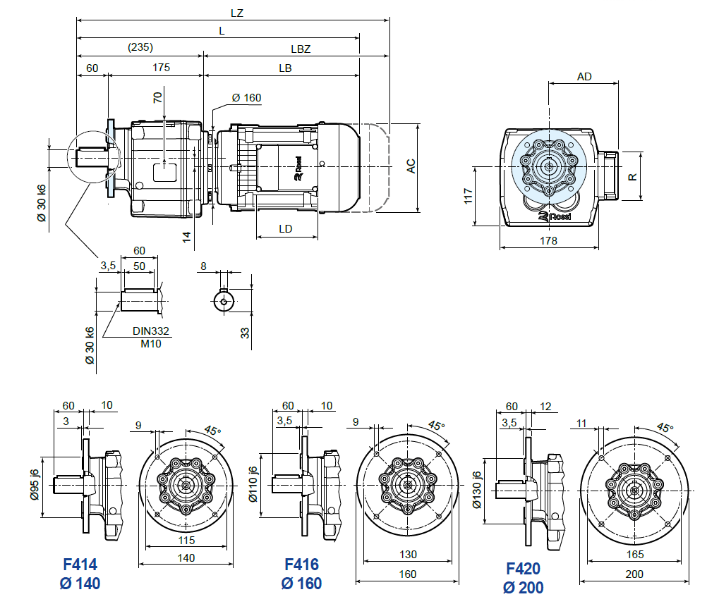
Габаритные и присоединительные размеры
iC 472PE, iC 473PE
| 63 | 71 | 80 | 90S 2) | 90L | 100 4) | 112 4) | 132S 3) 4) | 132M 4) | |
| AC | 123 | 138 | 156 | 176 | 176 | 194 | 218 | 257 | 257 |
| AD | 95 | 112 | 121 | 141 | 141 | 151 | 163 | 194 | 194 |
| LB | 205 | 231 | 260 | 283 | 313 | 345 | 383 | 439 | 499 |
| LBZ | 260 | 293 | 329 | 362 | 392 | 440 | 482 | 547 | 607 |
| L 1) | 440 | 466 | 495 | 518 | 548 | 580 | 618 | 674 | 734 |
| LZ 1) | 495 | 528 | 564 | 597 | 627 | 675 | 717 | 782 | 842 |
| LD | 103 | 103 | 103 | 136 | 136 | 136 | 136 | 190 | 190 |
| R | 86 | 86 | 86 | 106 | 106 | 106 | 106 | 148 | 148 |
iC 472FE, iC 473FE
| 63 | 71 | 80 | 90S 2) | 90L | 100 4) | 112 4) | 132S 3) 4) | 132M 4) | |
| AC | 123 | 138 | 156 | 176 | 176 | 194 | 218 | 257 | 257 |
| AD | 95 | 112 | 121 | 141 | 141 | 151 | 163 | 194 | 194 |
| LB | 205 | 231 | 260 | 283 | 313 | 345 | 383 | 439 | 499 |
| LBZ | 260 | 293 | 329 | 362 | 392 | 440 | 482 | 547 | 607 |
| L 1) | 440 | 466 | 495 | 518 | 548 | 580 | 618 | 674 | 734 |
| LZ 1) | 495 | 528 | 564 | 597 | 627 | 675 | 717 | 782 | 842 |
| LD | 103 | 103 | 103 | 136 | 136 | 136 | 136 | 190 | 190 |
| R | 86 | 86 | 86 | 106 | 106 | 106 | 106 | 148 | 148 |




