Габаритные и присоединительные размеры
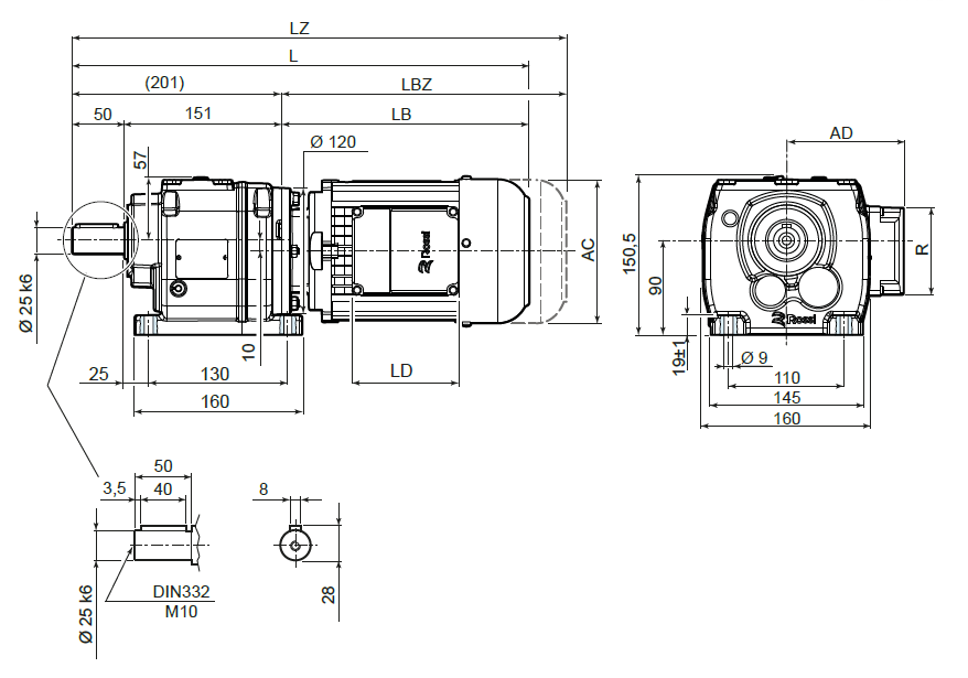
iC 372PE, iC 373PE
| 63 | 71 | 80 | 90S 2) 3) | 90L 3) | 100 3) | 112 3) | |
| AC | 123 | 138 | 156 | 176 | 176 | 194 | 218 |
| AD | 95 | 112 | 121 | 141 | 141 | 151 | 163 |
| LB | 211 | 237 | 266 | 290 | 320 | 351 | 389 |
| LBZ | 266 | 299 | 335 | 369 | 399 | 446 | 488 |
| L 1) | 404 | 430 | 459 | 483 | 513 | 544 | 582 |
| LZ 1) | 459 | 492 | 528 | 562 | 592 | 639 | 681 |
| LD | 103 | 103 | 103 | 136 | 136 | 136 | 136 |
| R | 86 | 86 | 86 | 106 | 106 | 106 | 106 |
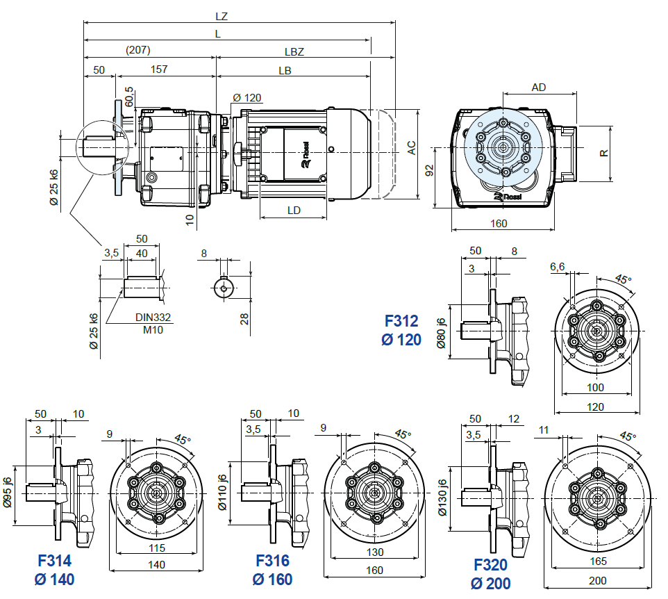
iC 372FE, iC 373FE
| 63 | 71 | 80 | 90S 2) 3) | 90L 3) | 100 3) | 112 3) | |
| AC | 123 | 138 | 156 | 176 | 176 | 194 | 218 |
| AD | 95 | 112 | 121 | 141 | 141 | 151 | 163 |
| LB | 211 | 237 | 266 | 290 | 320 | 351 | 389 |
| LBZ | 266 | 299 | 335 | 369 | 399 | 446 | 488 |
| L 1) | 404 | 430 | 459 | 483 | 513 | 544 | 582 |
| LZ 1) | 459 | 492 | 528 | 562 | 592 | 639 | 681 |
| LD | 103 | 103 | 103 | 136 | 136 | 136 | 136 |
| R | 86 | 86 | 86 | 106 | 106 | 106 | 106 |



