Габаритные и присоединительные размеры
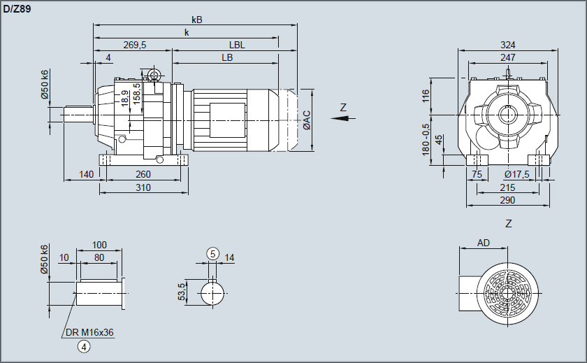
Редуктор D/Z89 — Исполнение на лапах

| Двигатель | LE 80M | 80ZM | 90S/L | 90ZL | 100L | 100ZL | 112M | 112ZM | 132S/M | 132ZM | 160M/L | 160ZL | LES 180M/L | 180ZL |
| AC | 156,3 | 156,3 | 173,8 | 173,8 | 198,0 | 198,0 | 222,0 | 222,0 | 264,0 | 264,0 | 318,0 | 318,0 | 352,5 | 352,5 |
| AD1) | 149,2 | 149,2 | 154,2 | 154,2 | 170,5 | 170,5 | 181,5 | 181,5 | 207,0 | 207,0 | 241,0 | 241,0 | 292,0 | 292,0 |
| k | 531,0 | 566,0 | 592,5 | 632,5 | 645,0 | 680,0 | 655,0 | 680,0 | 708,0 | 758,0 | 790,0 | 850,0 | 863,0 | 893,0 |
| kB | 591,0 | 626,0 | 662,5 | 702,5 | 723,5 | 758,5 | 728,0 | 753,0 | 812,5 | 862,5 | 906,0 | 966,0 | 992,0 | 1 022,0 |
| LB | 261,5 | 296,5 | 323,0 | 363,0 | 375,5 | 410,5 | 385,5 | 410,5 | 438,5 | 488,5 | 520,5 | 580,5 | 593,5 | 623,5 |
| LBL | 321,5 | 356,5 | 393,0 | 433,0 | 454,0 | 489,0 | 458,5 | 483,5 | 543,0 | 593,0 | 636,5 | 696,5 | 722,5 | 752,5 |
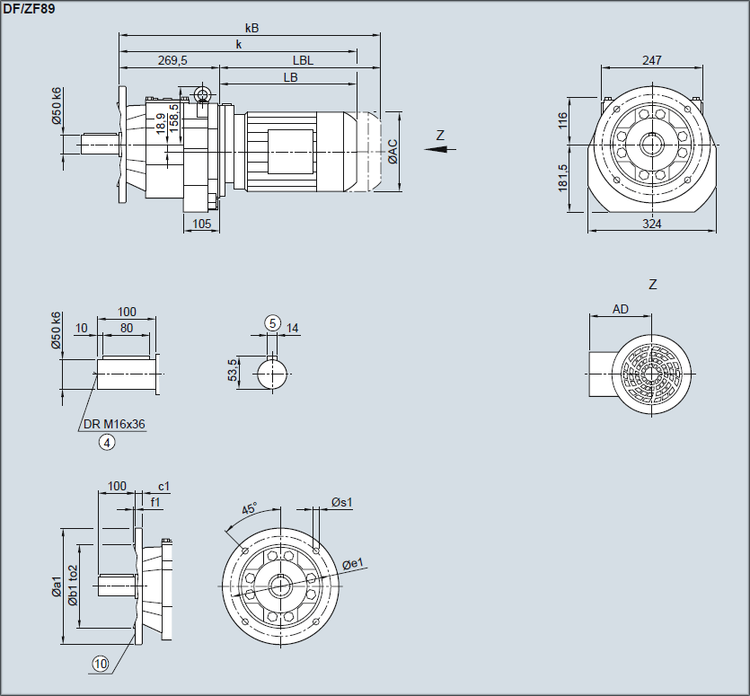
Редуктор DF/ZF89 — Исполнение с фланцем

| Фланец | a1 | b1 | to2 | c1 | e1 | f1 | s1 |
| 300 | 230 | j6 | 16 | 265 | 4,0 | 13,5 |
| 350 | 250 | j6 | 18 | 300 | 5,0 | 17,5 |
| Двигатель | LE 80M | 80ZM | 90S/L | 90ZL | 100L | 100ZL | 112M | 112ZM | 132S/M | 132ZM | 160M/L | 160ZL | LES 180M/L | 180ZL |
| AC | 156,3 | 156,3 | 173,8 | 173,8 | 198,0 | 198,0 | 222,0 | 222,0 | 264,0 | 264,0 | 318,0 | 318,0 | 352,5 | 352,5 |
| AD1) | 149,2 | 149,2 | 154,2 | 154,2 | 170,5 | 170,5 | 181,5 | 181,5 | 207,0 | 207,0 | 241,0 | 241,0 | 292,0 | 292,0 |
| k | 531,0 | 566,0 | 592,5 | 632,5 | 645,0 | 680,0 | 655,0 | 680,0 | 708,0 | 758,0 | 790,0 | 850,0 | 863,0 | 893,0 |
| kB | 591,0 | 626,0 | 662,5 | 702,5 | 723,5 | 758,5 | 728,0 | 753,0 | 812,5 | 862,5 | 906,0 | 966,0 | 992,0 | 1 022,0 |
| LB | 261,5 | 296,5 | 323,0 | 363,0 | 375,5 | 410,5 | 385,5 | 410,5 | 438,5 | 488,5 | 520,5 | 580,5 | 593,5 | 623,5 |
| LBL | 321,5 | 356,5 | 393,0 | 433,0 | 454,0 | 489,0 | 458,5 | 483,5 | 543,0 | 593,0 | 636,5 | 696,5 | 722,5 | 752,5 |