Габаритные и присоединительные размеры
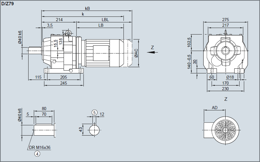
Редуктор D/Z79 — Исполнение на лапах

| Двигатель | LA 71M | LE 80M | 80ZM | 90S/L | 90ZL | 100L | 100ZL | 112M | 112ZM | 132S/M | 132ZM | 160M/L | 160ZL |
| AC | 138,8 | 156,3 | 156,3 | 173,8 | 173,8 | 198,0 | 198,0 | 222,0 | 222,0 | 264,0 | 264,0 | 318,0 | 318,0 |
| AD1) | 134,0 | 149,2 | 149,2 | 154,2 | 154,2 | 170,5 | 170,5 | 181,5 | 181,5 | 207,0 | 207,0 | 241,0 | 241,0 |
| k | 428,5 | 488,5 | 523,5 | 550,0 | 590,0 | 606,5 | 641,5 | 616,5 | 641,5 | 669,5 | 719,5 | 751,5 | 811,5 |
| kB | 483,5 | 548,5 | 583,5 | 620,0 | 660,0 | 685,0 | 720,0 | 689,5 | 714,5 | 774,0 | 824,0 | 867,5 | 927,5 |
| LB | 214,5 | 274,5 | 309,5 | 336,0 | 376,0 | 392,5 | 427,5 | 402,5 | 427,5 | 455,5 | 505,5 | 537,5 | 597,5 |
| LBL | 269,5 | 334,5 | 369,5 | 406,0 | 446,0 | 471,0 | 506,0 | 475,5 | 500,5 | 560,0 | 610,0 | 653,5 | 713,5 |
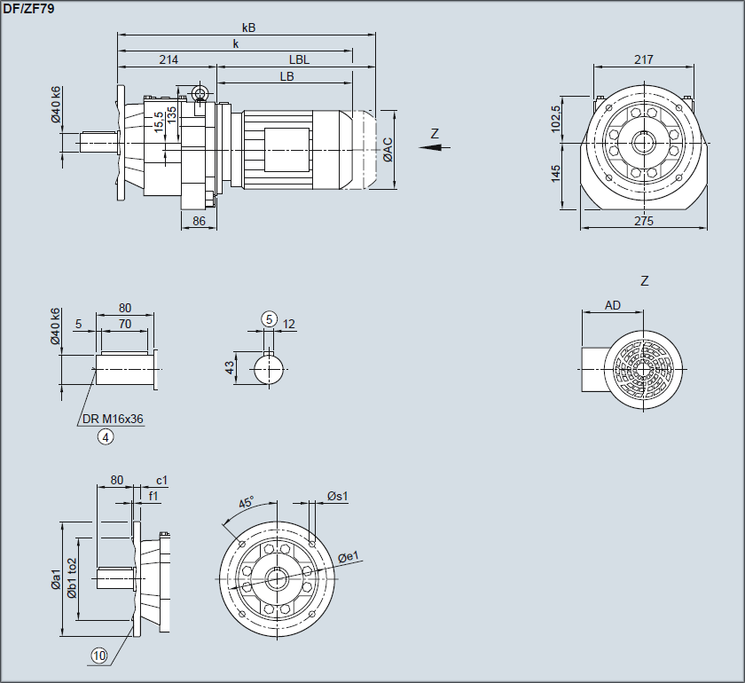
Редуктор DF/ZF79 — Исполнение с фланцем

| Фланец | a1 | b1 | to2 | c1 | e1 | f1 | s1 |
| 250 | 180 | j6 | 15 | 215 | 4,0 | 13,5 |
| 300 | 230 | j6 | 16 | 265 | 4,0 | 13,5 |
| Двигатель | LA 71M | LE 80M | 80ZM | 90S/L | 90ZL | 100L | 100ZL | 112M | 112ZM | 132S/M | 132ZM | 160M/L | 160ZL |
| AC | 138,8 | 156,3 | 156,3 | 173,8 | 173,8 | 198,0 | 198,0 | 222,0 | 222,0 | 264,0 | 264,0 | 318,0 | 318,0 |
| AD1) | 134,0 | 149,2 | 149,2 | 154,2 | 154,2 | 170,5 | 170,5 | 181,5 | 181,5 | 207,0 | 207,0 | 241,0 | 241,0 |
| k | 428,5 | 488,5 | 523,5 | 550,0 | 590,0 | 606,5 | 641,5 | 616,5 | 641,5 | 669,5 | 719,5 | 751,5 | 811,5 |
| kB | 483,5 | 548,5 | 583,5 | 620,0 | 660,0 | 685,0 | 720,0 | 689,5 | 714,5 | 774,0 | 824,0 | 867,5 | 927,5 |
| LB | 214,5 | 274,5 | 309,5 | 336,0 | 376,0 | 392,5 | 427,5 | 402,5 | 427,5 | 455,5 | 505,5 | 537,5 | 597,5 |
| LBL | 269,5 | 334,5 | 369,5 | 406,0 | 446,0 | 471,0 | 506,0 | 475,5 | 500,5 | 560,0 | 610,0 | 653,5 | 713,5 |