Габаритные и присоединительные размеры
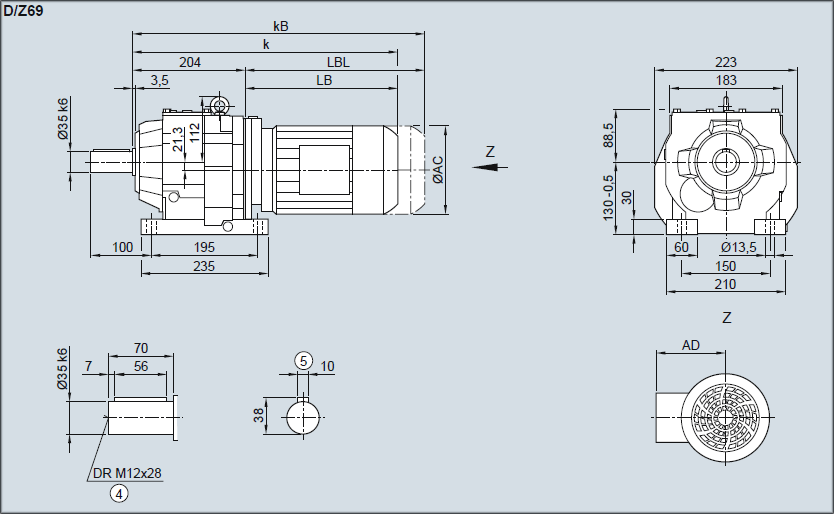
Редуктор D/Z69 — Исполнение на лапах

| Двигатель | LA 63M | 71M | LE 80M | 80ZM | 90S/L | 90ZL | 100L | 100ZL | 112M | 112ZM | 132S/M | 132ZM |
| AC | 117,8 | 138,8 | 156,3 | 156,3 | 173,8 | 173,8 | 198,0 | 198,0 | 222,0 | 222,0 | 264,0 | 264,0 |
| AD1) | 124,0 | 134,0 | 149,2 | 149,2 | 154,2 | 154,2 | 170,5 | 170,5 | 181,5 | 181,5 | 207,0 | 207,0 |
| k | 388,5 | 420,5 | 484,5 | 519,5 | 546,0 | 586,0 | 602,5 | 637,5 | 612,5 | 647,0 | 665,5 | 715,5 |
| kB | 433,0 | 475,5 | 544,5 | 579,5 | 616,0 | 656,0 | 681,0 | 716,0 | 685,5 | 720,0 | 770,0 | 820,0 |
| LB | 184,5 | 216,5 | 280,5 | 315,5 | 342,0 | 382,0 | 398,5 | 433,5 | 408,5 | 443,0 | 461,5 | 511,5 |
| LBL | 229,0 | 271,5 | 340,5 | 375,5 | 412,0 | 452,0 | 477,0 | 512,0 | 481,5 | 516,0 | 566,0 | 616,0 |
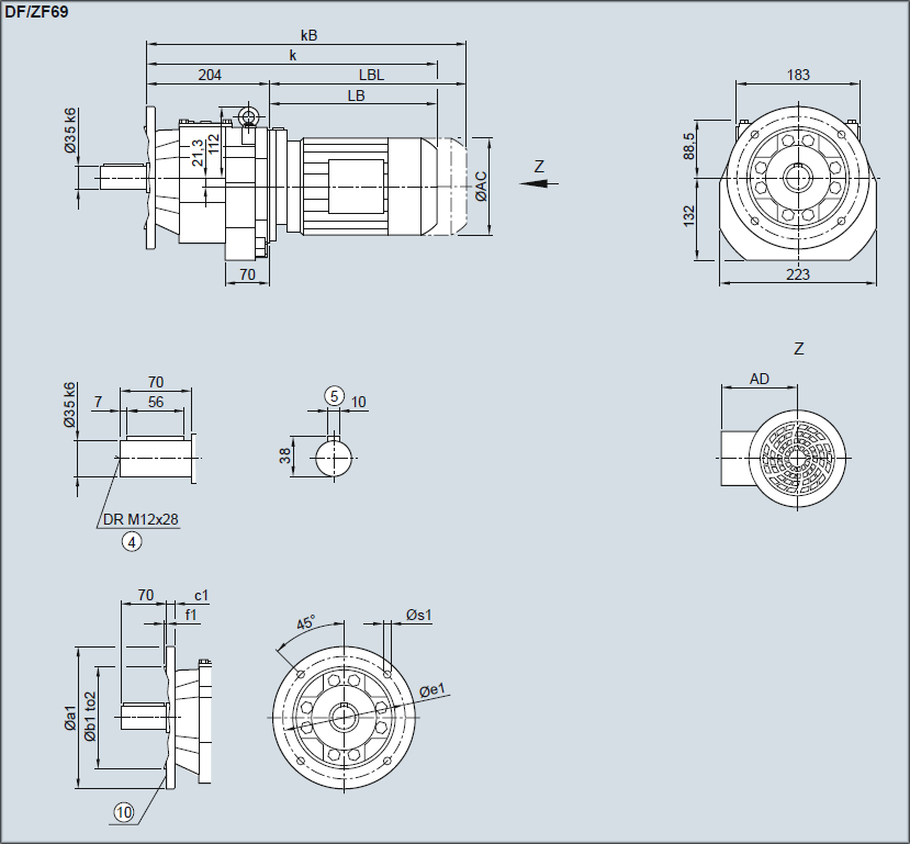
Редуктор DF/ZF69 — Исполнение с фланцем

| Фланец | a1 | b1 | to2 | c1 | e1 | f1 | s1 |
| 200 | 130 | j6 | 12 | 165 | 3,5 | 11,0 |
| 250 | 180 | j6 | 15 | 215 | 4,0 | 13,5 |
| Двигатель | LA 63M | 71M | LE 80M | 80ZM | 90S/L | 90ZL | 100L | 100ZL | 112M | 112ZM | 132S/M | 132ZM |
| AC | 117,8 | 138,8 | 156,3 | 156,3 | 173,8 | 173,8 | 198,0 | 198,0 | 222,0 | 222,0 | 264,0 | 264,0 |
| AD1) | 124,0 | 134,0 | 149,2 | 149,2 | 154,2 | 154,2 | 170,5 | 170,5 | 181,5 | 181,5 | 207,0 | 207,0 |
| k | 388,5 | 420,5 | 484,5 | 519,5 | 546,0 | 586,0 | 602,5 | 637,5 | 612,5 | 647,0 | 665,5 | 715,5 |
| kB | 433,0 | 475,5 | 544,5 | 579,5 | 616,0 | 656,0 | 681,0 | 716,0 | 685,5 | 720,0 | 770,0 | 820,0 |
| LB | 184,5 | 216,5 | 280,5 | 315,5 | 342,0 | 382,0 | 398,5 | 433,5 | 408,5 | 443,0 | 461,5 | 511,5 |
| LBL | 229,0 | 271,5 | 340,5 | 375,5 | 412,0 | 452,0 | 477,0 | 512,0 | 481,5 | 516,0 | 566,0 | 616,0 |