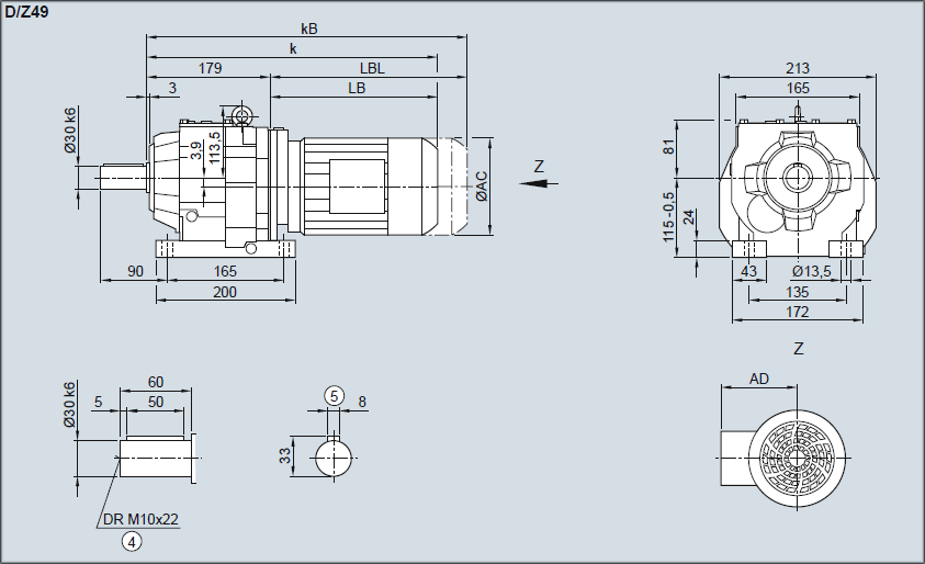
Габаритные и присоединительные размеры
Редуктор D/Z49 — Исполнение на лапах
| Двигатель | LA 63M | 71M | LE 80M | 80ZM | 90S/L | 90ZL | 100L | 100ZL | 112M | 112ZM | 132S/M | 132ZM |
| AC | 117,8 | 138,8 | 156,3 | 156,3 | 173,8 | 173,8 | 198,0 | 198,0 | 222,0 | 222,0 | 264,0 | 264,0 |
| AD1) | 124,0 | 134,0 | 149,2 | 149,2 | 154,2 | 154,2 | 170,5 | 170,5 | 181,5 | 181,5 | 207,0 | 207,0 |
| k | 363,5 | 395,5 | 459,5 | 494,5 | 521,0 | 561,0 | 577,5 | 612,5 | 587,5 | 622,0 | 640,5 | 690,5 |
| kB | 408,0 | 450,5 | 519,5 | 554,5 | 591,0 | 631,0 | 656,0 | 691,0 | 660,5 | 695,0 | 745,0 | 795,0 |
| LB | 184,5 | 216,5 | 280,5 | 315,5 | 342,0 | 382,0 | 398,5 | 433,5 | 408,5 | 443,0 | 461,5 | 511,5 |
| LBL | 229,0 | 271,5 | 340,5 | 375,5 | 412,0 | 452,0 | 477,0 | 512,0 | 481,5 | 516,0 | 566,0 | 616,0 |
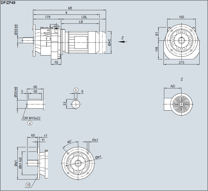
Редуктор DF/ZF49 — Исполнение с фланцем
| Фланец | a1 | b1 | to2 | c1 | e1 | f1 | s1 |
| 140 | 95 | j6 | 10 | 115 | 3,0 | 9,0 | |
| 160 | 110 | j6 | 10 | 130 | 3,5 | 9,0 | |
| 200 | 130 | j6 | 12 | 165 | 3,5 | 11,0 |
| Двигатель | LA 63M | 71M | LE 80M | 80ZM | 90S/L | 90ZL | 100L | 100ZL | 112M | 112ZM | 132S/M | 132ZM |
| AC | 117,8 | 138,8 | 156,3 | 156,3 | 173,8 | 173,8 | 198,0 | 198,0 | 222,0 | 222,0 | 264,0 | 264,0 |
| AD1) | 124,0 | 134,0 | 149,2 | 149,2 | 154,2 | 154,2 | 170,5 | 170,5 | 181,5 | 181,5 | 207,0 | 207,0 |
| k | 363,5 | 395,5 | 459,5 | 494,5 | 521,0 | 561,0 | 577,5 | 612,5 | 587,5 | 622,0 | 640,5 | 690,5 |
| kB | 408,0 | 450,5 | 519,5 | 554,5 | 591,0 | 631,0 | 656,0 | 691,0 | 660,5 | 695,0 | 745,0 | 795,0 |
| LB | 184,5 | 216,5 | 280,5 | 315,5 | 342,0 | 382,0 | 398,5 | 433,5 | 408,5 | 443,0 | 461,5 | 511,5 |
| LBL | 229,0 | 271,5 | 340,5 | 375,5 | 412,0 | 452,0 | 477,0 | 512,0 | 481,5 | 516,0 | 566,0 | 616,0 |


