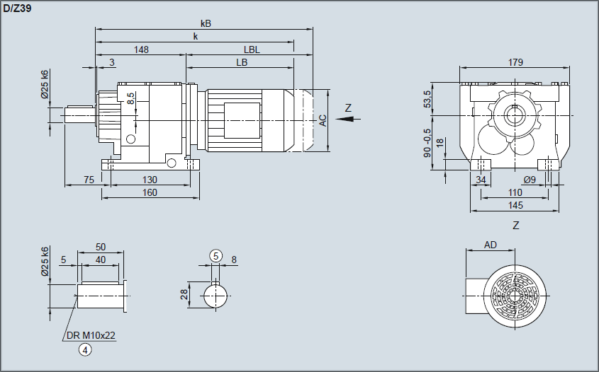
Габаритные и присоединительные размеры
Редуктор D/Z39 — Исполнение на лапах
| Двигатель | LA 63M | 71M | LE 80M | 80ZM | 90S/L | 90ZL | 100L | 100ZL | 112M | 112ZM |
| AC | 117,8 | 138,8 | 156,3 | 156,3 | 173,8 | 173,8 | 198,0 | 198,0 | 222,0 | 222,0 |
| AD1) | 124,0 | 134,0 | 149,2 | 149,2 | 154,2 | 154,2 | 170,5 | 170,5 | 181,5 | 181,5 |
| k | 342,0 | 374,0 | 438,0 | 473,0 | 499,5 | 539,5 | 556,0 | 591,0 | 566,0 | 591,0 |
| kB | 386,5 | 429,0 | 498,0 | 533,0 | 569,5 | 609,5 | 634,5 | 669,5 | 639,0 | 664,0 |
| LB | 194,0 | 226,0 | 290,0 | 325,0 | 351,5 | 391,5 | 408,0 | 443,0 | 418,0 | 443,0 |
| LBL | 238,5 | 281,0 | 350,0 | 385,0 | 421,5 | 461,5 | 486,5 | 521,5 | 491,0 | 516,0 |
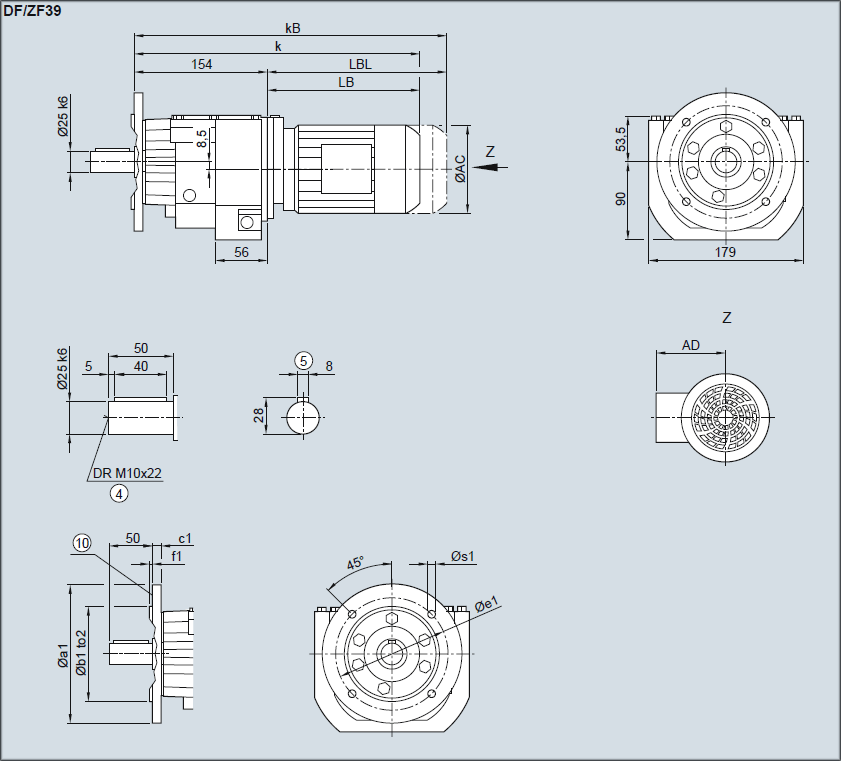
Редуктор DF/ZF39 — Исполнение с фланцем
| Фланец | a1 | b1 | to2 | c1 | e1 | f1 | s1 |
| 120 | 80 | j6 | 8 | 100 | 3,0 | 6,6 | |
| 160 | 110 | j6 | 10 | 130 | 3,5 | 9,0 | |
| 200 | 130 | j6 | 12 | 165 | 3,5 | 11,0 |
| Двигатель | LA 63M | 71M | LE 80M | 80ZM | 90S/L | 90ZL | 100L | 100ZL | 112M | 112ZM |
| AC | 117,8 | 138,8 | 156,3 | 156,3 | 173,8 | 173,8 | 198,0 | 198,0 | 222,0 | 222,0 |
| AD1) | 124,0 | 134,0 | 149,2 | 149,2 | 154,2 | 154,2 | 170,5 | 170,5 | 181,5 | 181,5 |
| k | 342,0 | 374,0 | 438,0 | 473,0 | 499,5 | 539,5 | 556,0 | 591,0 | 566,0 | 591,0 |
| kB | 386,5 | 429,0 | 498,0 | 533,0 | 569,5 | 609,5 | 634,5 | 669,5 | 639,0 | 664,0 |
| LB | 194,0 | 226,0 | 290,0 | 325,0 | 351,5 | 391,5 | 408,0 | 443,0 | 418,0 | 443,0 |
| LBL | 238,5 | 281,0 | 350,0 | 385,0 | 421,5 | 461,5 | 486,5 | 521,5 | 491,0 | 516,0 |


