Габаритные и присоединительные размеры
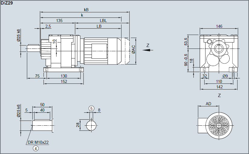
Редуктор D/Z29 — Исполнение на лапах
| Двигатель | LA 63M | 71M | LE 80M | 80ZM | 90S/L | 90ZL | 100L | 100ZL |
| AC | 117,8 | 138,8 | 156,3 | 156,3 | 173,8 | 173,8 | 198,0 | 198,0 |
| AD1) | 124,0 | 134,0 | 149,2 | 149,2 | 154,2 | 154,2 | 170,5 | 170,5 |
| k | 329,0 | 361,0 | 425,0 | 460,0 | 486,5 | 526,5 | 543,0 | 578,0 |
| kB | 373,5 | 416,0 | 485,0 | 520,0 | 556,5 | 596,5 | 621,5 | 656,5 |
| LB | 194,0 | 226,0 | 290,0 | 325,0 | 351,5 | 391,5 | 408,0 | 443,0 |
| LBL | 238,5 | 281,0 | 350,0 | 385,0 | 421,5 | 461,5 | 486,5 | 521,5 |
Редуктор DF/ZF29 — Исполнение с фланцем
| Фланец | a1 | b1 | to2 | c1 | e1 | f1 | s1 |
| 120 | 80 | j6 | 8 | 100 | 3,0 | 6,6 | |
| 140 | 95 | j6 | 9 | 115 | 3,0 | 9,0 | |
| 160 | 110 | j6 | 9 | 130 | 3,5 | 9,0 |
| Двигатель | LA 63M | 71M | LE 80M | 80ZM | 90S/L | 90ZL | 100L | 100ZL |
| AC | 117,8 | 138,8 | 156,3 | 156,3 | 173,8 | 173,8 | 198,0 | 198,0 |
| AD1) | 124,0 | 134,0 | 149,2 | 149,2 | 154,2 | 154,2 | 170,5 | 170,5 |
| k | 329,0 | 361,0 | 425,0 | 460,0 | 486,5 | 526,5 | 543,0 | 578,0 |
| kB | 373,5 | 416,0 | 485,0 | 520,0 | 556,5 | 596,5 | 621,5 | 656,5 |
| LB | 194,0 | 226,0 | 290,0 | 325,0 | 351,5 | 391,5 | 408,0 | 443,0 |
| LBL | 238,5 | 281,0 | 350,0 | 385,0 | 421,5 | 461,5 | 486,5 | 521,5 |


