Габаритные и присоединительные размеры
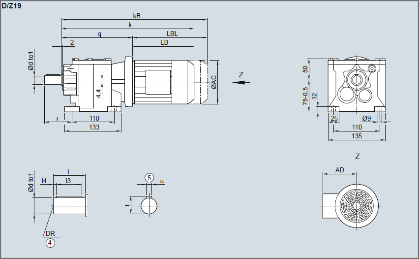
Редуктор D/Z19 — Исполнение на лапах
| Вал | d | to1 | l | l3 | l4 | t | u | i | DR | |
| 16 | k6 | 28 | 22 | 3 | 18,0 | 5 | 46 | M5 | ||
| 16 | k6 | 40 | 32 | 4 | 18,0 | 5 | 58 | M8 | ||
| 20 | k6 | 40 | 32 | 4 | 22,5 | 6 | 58 | M6x16 | ||
| Двигатель | LA 63M | 71M | LE 80M | 80ZM |
| q | 159,5 | 167,5 | 168,0 | 168,0 |
| AC | 117,8 | 138,8 | 156,3 | 156,3 |
| AD1) | 124,0 | 134,0 | 149,2 | 149,2 |
| k | 320,0 | 352,0 | 408,0 | 443,0 |
| kB | 364,5 | 407,0 | 468,0 | 503,0 |
| LB | 160,5 | 184,5 | 240,0 | 275,0 |
| LBL | 205,0 | 239,5 | 300,0 | 335,0 |
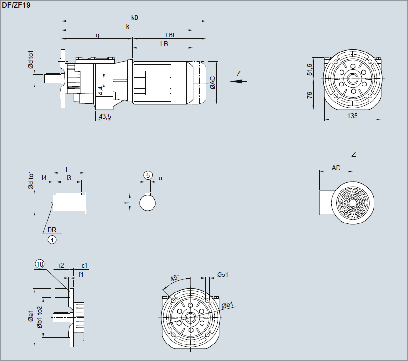
Редуктор DF/ZF19 — Исполнение с фланцем
| Фланец | a1 | b1 | to2 | c1 | e1 | f1 | s1 |
| 120 | 80 | j6 | 8 | 100 | 3,0 | 6,6 | |
| 140 | 95 | j6 | 9 | 115 | 3,0 | 9,0 | |
| 160 | 110 | j6 | 9 | 130 | 3,5 | 9,0 |
| Вал | d | to1 | l | l3 | l4 | t | u | i2 | DR | |
| 16 | k6 | 28 | 22 | 3 | 18,0 | 5 | 28 | M5 | ||
| 16 | k6 | 40 | 32 | 4 | 18,0 | 5 | 40 | M8 | ||
| 20 | k6 | 40 | 32 | 4 | 22,5 | 6 | 40 | M6x16 | ||
| Двигатель | LA 63M | 71M | LE 80M | 80ZM |
| q | 168,5 | 176,5 | 177,0 | 177,0 |
| AC | 117,8 | 138,8 | 156,3 | 156,3 |
| AD1) | 124,0 | 134,0 | 149,2 | 149,2 |
| k | 329,0 | 361,0 | 417,0 | 452,0 |
| kB | 373,5 | 416,0 | 477,0 | 512,0 |
| LB | 160,5 | 184,5 | 240,0 | 275,0 |
| LBL | 205,0 | 239,5 | 300,0 | 335,0 |


