Габаритные и присоединительные размеры
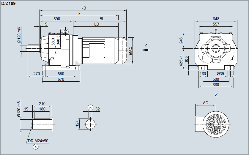
Редуктор D/Z189 — Исполнение на лапах

| Двигатель | LE 112M | 112ZM | 132S/M | 132ZM | 160M/L | 160ZL | LES 180M/L | 180ZL | 200L | 200ZL | 225S/M | 225YM | 250M |
| AC | 222,0 | 222,0 | 264,0 | 264,0 | 318,0 | 318,0 | 352,5 | 352,5 | 392,5 | 392,5 | 439,0 | 439,0 | 487,0 |
| AD1) | 181,5 | 181,5 | 207,0 | 207,0 | 241,0 | 241,0 | 292,0 | 292,0 | 315,0 | 315,0 | 337,0 | 337,0 | 407,5 |
| k | 943,5 | 968,5 | 989,0 | 1 039,0 | 1 071,0 | 1 131,0 | 1 143,5 | 1 173,5 | 1 211,5 | 1 236,5 | 1 256,0 | 1 316,0 | 1 363,5 |
| kB | 1 016,5 | 1 041,5 | 1 093,5 | 1 143,5 | 1 187,0 | 1 247,0 | 1 272,5 | 1 302,5 | 1 358,5 | 1 383,5 | 1 484,0 | 1 544,0 | 1 588,5 |
| LB | 353,5 | 378,5 | 399,0 | 449,0 | 481,0 | 541,0 | 553,5 | 583,5 | 621,5 | 646,5 | 666,0 | 726,0 | 773,5 |
| LBL | 426,5 | 451,5 | 503,5 | 553,5 | 597,0 | 657,0 | 682,5 | 712,5 | 768,5 | 793,5 | 894,0 | 954,0 | 998,5 |
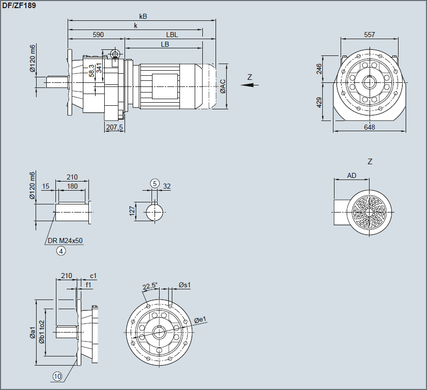
Редуктор DF/ZF189 — Исполнение с фланцем

| Фланец | a1 | b1 | to2 | c1 | e1 | f1 | s1 |
| 550 | 450 | h6 | 25 | 500 | 5 | 17,5 |
| 660 | 550 | h6 | 28 | 600 | 6 | 22,0 |
| Двигатель | LE 112M | 112ZM | 132S/M | 132ZM | 160M/L | 160ZL | LES 180M/L | 180ZL | 200L | 200ZL | 225S/M | 225YM | 250M |
| AC | 222,0 | 222,0 | 264,0 | 264,0 | 318,0 | 318,0 | 352,5 | 352,5 | 392,5 | 392,5 | 439,0 | 439,0 | 487,0 |
| AD1) | 181,5 | 181,5 | 207,0 | 207,0 | 241,0 | 241,0 | 292,0 | 292,0 | 315,0 | 315,0 | 337,0 | 337,0 | 407,5 |
| k | 943,5 | 968,5 | 989,0 | 1 039,0 | 1 071,0 | 1 131,0 | 1 143,5 | 1 173,5 | 1 211,5 | 1 236,5 | 1 256,0 | 1 316,0 | 1 363,5 |
| kB | 1 016,5 | 1 041,5 | 1 093,5 | 1 143,5 | 1 187,0 | 1 247,0 | 1 272,5 | 1 302,5 | 1 358,5 | 1 383,5 | 1 484,0 | 1 544,0 | 1 588,5 |
| LB | 353,5 | 378,5 | 399,0 | 449,0 | 481,0 | 541,0 | 553,5 | 583,5 | 621,5 | 646,5 | 666,0 | 726,0 | 773,5 |
| LBL | 426,5 | 451,5 | 503,5 | 553,5 | 597,0 | 657,0 | 682,5 | 712,5 | 768,5 | 793,5 | 894,0 | 954,0 | 998,5 |