Габаритные и присоединительные размеры
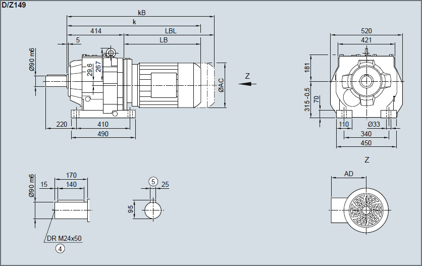
Редуктор D/Z149 — Исполнение на лапах

| Двигатель | LE 100L | 100ZL | 112M | 112ZM | 132S/M | 132ZM | 160M/L | 160ZL | LES 180M/L | 180ZL | 200L | 200ZL | 225S/M | 225YM | 250M |
| AC | 198,0 | 198,0 | 222,0 | 222,0 | 264,0 | 264,0 | 318,0 | 318,0 | 352,5 | 352,5 | 392,5 | 392,5 | 439,0 | 439,0 | 487,0 |
| AD1) | 170,5 | 170,5 | 181,5 | 181,5 | 207,0 | 207,0 | 241,0 | 241,0 | 292,0 | 292,0 | 315,0 | 315,0 | 337,0 | 337,0 | 407,5 |
| k | 770,0 | 805,0 | 780,0 | 805,0 | 826,0 | 876,0 | 908,0 | 968,0 | 981,0 | 1 011,0 | 1 049,0 | 1 074,0 | 1 094,5 | 1 154,5 | 1 206,0 |
| kB | 848,5 | 883,5 | 853,0 | 878,0 | 930,5 | 980,5 | 1 024,0 | 1 084,0 | 1 110,0 | 1 140,0 | 1 196,0 | 1 221,0 | 1 322,5 | 1 382,5 | 1 431,0 |
| LB | 356,0 | 391,0 | 366,0 | 391,0 | 412,0 | 462,0 | 494,0 | 554,0 | 567,0 | 597,0 | 635,0 | 660,0 | 680,5 | 740,5 | 792,0 |
| LBL | 434,5 | 469,5 | 439,0 | 464,0 | 516,5 | 566,5 | 610,0 | 670,0 | 696,0 | 726,0 | 782,0 | 807,0 | 908,5 | 968,5 | 1 017,0 |
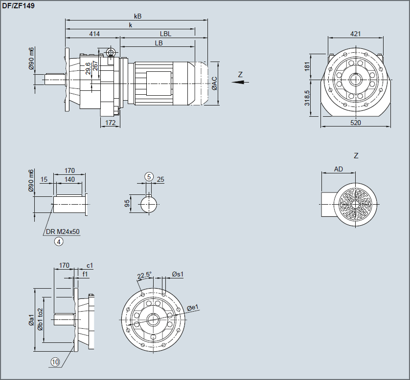
Редуктор DF/ZF149 — Исполнение с фланцем

| Фланец | a1 | b1 | to2 | c1 | e1 | f1 | s1 |
| 450 | 350 | h6 | 22 | 400 | 5 | 17,5 |
| 550 | 450 | h6 | 25 | 500 | 5 | 17,5 |
| Двигатель | LE 100L | 100ZL | 112M | 112ZM | 132S/M | 132ZM | 160M/L | 160ZL | LES 180M/L | 180ZL | 200L | 200ZL | 225S/M | 225YM | 250M |
| AC | 198,0 | 198,0 | 222,0 | 222,0 | 264,0 | 264,0 | 318,0 | 318,0 | 352,5 | 352,5 | 392,5 | 392,5 | 439,0 | 439,0 | 487,0 |
| AD1) | 170,5 | 170,5 | 181,5 | 181,5 | 207,0 | 207,0 | 241,0 | 241,0 | 292,0 | 292,0 | 315,0 | 315,0 | 337,0 | 337,0 | 407,5 |
| k | 770,0 | 805,0 | 780,0 | 805,0 | 826,0 | 876,0 | 908,0 | 968,0 | 981,0 | 1 011,0 | 1 049,0 | 1 074,0 | 1 094,5 | 1 154,5 | 1 206,0 |
| kB | 848,5 | 883,5 | 853,0 | 878,0 | 930,5 | 980,5 | 1 024,0 | 1 084,0 | 1 110,0 | 1 140,0 | 1 196,0 | 1 221,0 | 1 322,5 | 1 382,5 | 1 431,0 |
| LB | 356,0 | 391,0 | 366,0 | 391,0 | 412,0 | 462,0 | 494,0 | 554,0 | 567,0 | 597,0 | 635,0 | 660,0 | 680,5 | 740,5 | 792,0 |
| LBL | 434,5 | 469,5 | 439,0 | 464,0 | 516,5 | 566,5 | 610,0 | 670,0 | 696,0 | 726,0 | 782,0 | 807,0 | 908,5 | 968,5 | 1 017,0 |