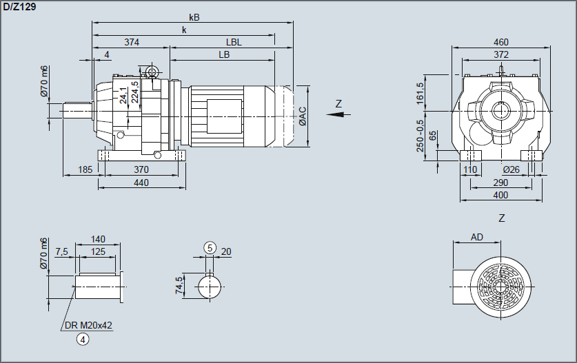
Габаритные и присоединительные размеры
Редуктор D/Z129 — Исполнение на лапах

| Двигатель | LE 90S/L | 90ZL | 100L | 100ZL | 112M | 112ZM | 132S/M | 132ZM | 160M/L | 160ZL | LES 180M/L | 180ZL | 200L | 200ZL | 225S/M | 225YM | 250M |
| AC | 173,8 | 173,8 | 198,0 | 198,0 | 222,0 | 222,0 | 264,0 | 264,0 | 318,0 | 318,0 | 352,5 | 352,5 | 392,5 | 392,5 | 439,0 | 439,0 | 487,0 |
| AD1) | 154,2 | 154,2 | 170,5 | 170,5 | 181,5 | 181,5 | 207,0 | 207,0 | 241,0 | 241,0 | 292,0 | 292,0 | 315,0 | 315,0 | 337,0 | 337,0 | 407,5 |
| k | 683,0 | 723,0 | 731,5 | 766,5 | 741,5 | 766,5 | 792,5 | 842,5 | 874,5 | 934,5 | 947,5 | 977,5 | 1 015,5 | 1 040,5 | 1 067,0 | 1 127,0 | 1 172,5 |
| kB | 753,0 | 793,0 | 810,0 | 845,0 | 814,5 | 839,5 | 897,0 | 947,0 | 990,5 | 1 050,5 | 1 076,5 | 1 106,5 | 1 162,5 | 1 187,5 | 1 295,0 | 1 355,0 | 1 397,5 |
| LB | 309,0 | 349,0 | 357,5 | 392,5 | 367,5 | 392,5 | 418,5 | 468,5 | 500,5 | 560,5 | 573,5 | 603,5 | 641,5 | 666,5 | 693,0 | 753,0 | 798,5 |
| LBL | 379,0 | 419,0 | 436,0 | 471,0 | 440,5 | 465,5 | 523,0 | 573,0 | 616,5 | 676,5 | 702,5 | 732,5 | 788,5 | 813,5 | 921,0 | 981,0 | 1 023,5 |
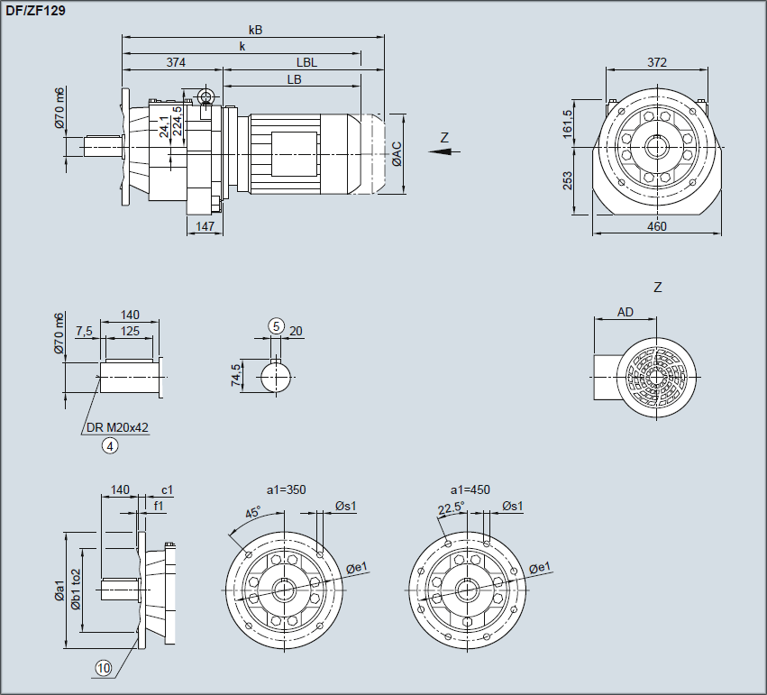
Редуктор DF/ZF129 — Исполнение с фланцем

| Фланец | a1 | b1 | to2 | c1 | e1 | f1 | s1 |
| 350 | 250 | h6 | 20 | 300 | 5 | 17,5 |
| 450 | 350 | h6 | 22 | 400 | 5 | 17,5 |
| Двигатель | LE 90S/L | 90ZL | 100L | 100ZL | 112M | 112ZM | 132S/M | 132ZM | 160M/L | 160ZL | LES 180M/L | 180ZL | 200L | 200ZL | 225S/M | 225YM | 250M |
| AC | 173,8 | 173,8 | 198,0 | 198,0 | 222,0 | 222,0 | 264,0 | 264,0 | 318,0 | 318,0 | 352,5 | 352,5 | 392,5 | 392,5 | 439,0 | 439,0 | 487,0 |
| AD1) | 154,2 | 154,2 | 170,5 | 170,5 | 181,5 | 181,5 | 207,0 | 207,0 | 241,0 | 241,0 | 292,0 | 292,0 | 315,0 | 315,0 | 337,0 | 337,0 | 407,5 |
| k | 683,0 | 723,0 | 731,5 | 766,5 | 741,5 | 766,5 | 792,5 | 842,5 | 874,5 | 934,5 | 947,5 | 977,5 | 1 015,5 | 1 040,5 | 1 067,0 | 1 127,0 | 1 172,5 |
| kB | 753,0 | 793,0 | 810,0 | 845,0 | 814,5 | 839,5 | 897,0 | 947,0 | 990,5 | 1 050,5 | 1 076,5 | 1 106,5 | 1 162,5 | 1 187,5 | 1 295,0 | 1 355,0 | 1 397,5 |
| LB | 309,0 | 349,0 | 357,5 | 392,5 | 367,5 | 392,5 | 418,5 | 468,5 | 500,5 | 560,5 | 573,5 | 603,5 | 641,5 | 666,5 | 693,0 | 753,0 | 798,5 |
| LBL | 379,0 | 419,0 | 436,0 | 471,0 | 440,5 | 465,5 | 523,0 | 573,0 | 616,5 | 676,5 | 702,5 | 732,5 | 788,5 | 813,5 | 921,0 | 981,0 | 1 023,5 |