Габаритные и присоединительные размеры
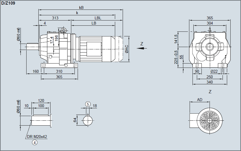
Редуктор D/Z109 — Исполнение на лапах

| Двигатель | LE 90S/L | 90ZL | 100L | 100ZL | 112M | 112ZM | 132S/M | 132ZM | 160M/L | 160ZL | LES 180M/L | 180ZL | 200L | 200ZL | 225S/M | 225YM |
| AC | 173,8 | 173,8 | 198,0 | 198,0 | 222,0 | 222,0 | 264,0 | 264,0 | 318,0 | 318,0 | 352,5 | 352,5 | 392,5 | 392,5 | 439,0 | 439,0 |
| AD1) | 154,2 | 154,2 | 170,5 | 170,5 | 181,5 | 181,5 | 207,0 | 207,0 | 241,0 | 241,0 | 292,0 | 292,0 | 315,0 | 315,0 | 337,0 | 337,0 |
| k | 629,0 | 669,0 | 679,5 | 714,5 | 689,5 | 714,5 | 742,5 | 792,5 | 824,5 | 884,5 | 897,5 | 927,5 | 965,5 | 990,5 | 1 011,0 | 1 071,0 |
| kB | 699,0 | 739,0 | 758,0 | 793,0 | 762,5 | 787,5 | 847,0 | 897,0 | 940,5 | 1 000,5 | 1 026,5 | 1 056,5 | 1 112,5 | 1 137,5 | 1 239,0 | 1 299,0 |
| LB | 316,0 | 356,0 | 366,5 | 401,5 | 376,5 | 401,5 | 429,5 | 479,5 | 511,5 | 571,5 | 584,5 | 614,5 | 652,5 | 677,5 | 698,0 | 758,0 |
| LBL | 386,0 | 426,0 | 445,0 | 480,0 | 449,5 | 474,5 | 534,0 | 584,0 | 627,5 | 687,5 | 713,5 | 743,5 | 799,5 | 824,5 | 926,0 | 986,0 |
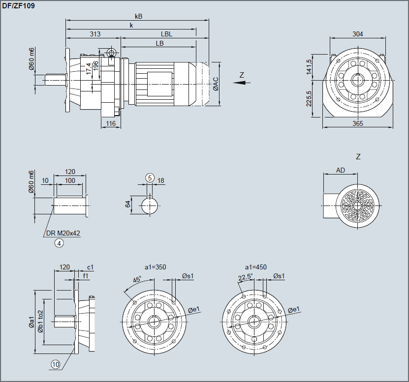
Редуктор DF/ZF109 — Исполнение с фланцем

| Фланец | a1 | b1 | to2 | c1 | e1 | f1 | s1 |
| 350 | 250 | h6 | 18 | 300 | 5 | 17,5 |
| 450 | 350 | h6 | 22 | 400 | 5 | 17,5 |
| Двигатель | LE 80M | 80ZM | 90S/L | 90ZL | 100L | 100ZL | 112M | 112ZM | 132S/M | 132ZM | 160M/L | 160ZL | LES 180M/L | 180ZL |
| AC | 156,3 | 156,3 | 173,8 | 173,8 | 198,0 | 198,0 | 222,0 | 222,0 | 264,0 | 264,0 | 318,0 | 318,0 | 352,5 | 352,5 |
| AD1) | 149,2 | 149,2 | 154,2 | 154,2 | 170,5 | 170,5 | 181,5 | 181,5 | 207,0 | 207,0 | 241,0 | 241,0 | 292,0 | 292,0 |
| k | 531,0 | 566,0 | 592,5 | 632,5 | 645,0 | 680,0 | 655,0 | 680,0 | 708,0 | 758,0 | 790,0 | 850,0 | 863,0 | 893,0 |
| kB | 591,0 | 626,0 | 662,5 | 702,5 | 723,5 | 758,5 | 728,0 | 753,0 | 812,5 | 862,5 | 906,0 | 966,0 | 992,0 | 1 022,0 |
| LB | 261,5 | 296,5 | 323,0 | 363,0 | 375,5 | 410,5 | 385,5 | 410,5 | 438,5 | 488,5 | 520,5 | 580,5 | 593,5 | 623,5 |
| LBL | 321,5 | 356,5 | 393,0 | 433,0 | 454,0 | 489,0 | 458,5 | 483,5 | 543,0 | 593,0 | 636,5 | 696,5 | 722,5 | 752,5 |